Запчасти Case DV26 (90.110.AP[01a]) - PLATFORM OPERATORS - ASN NFNTU0426 (90) - PLATFORM, CAB, BODYWORK AND DECALS

Схема запчастей Case DV26 - (90.110.AP[01a]) - PLATFORM OPERATORS - ASN NFNTU0426 (90) - PLATFORM, CAB, BODYWORK AND DECALS
55.512.bq 01a
31
15
27
10
38
7
5
15
26
36
22
37
13
24
10
23
19
39
11
25
35
28
32
38
21
12
3
20
34
18
29
6
4
33
14
27
26
15
25
8
17
2
30
16
1
40
9
55.512.bq 02a
FIT
1:1
100%

Артикул

Название

Примечание

Количество

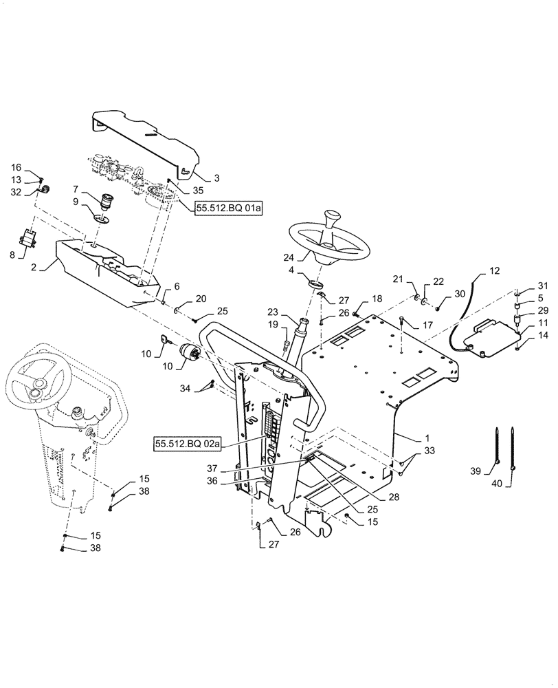
1

47998341

PLATFORM LAMP

1шт.

2

47387981

CONTROL PANEL

1шт.

3

47387973

COVER

1шт.

4

47384007

RUBBER SEAL

1шт.

5

47388140

SLEEVE

4шт.

6

47387971

SLEEVE

2шт.

7

47387997

MECHANICAL SWITCH

1шт.

7

47388002

MECHANICAL SWITCH

1шт.

8

47388010

BODY

1шт.

8

47388012

MECHANICAL SWITCH

3шт.

9

47388015

DECAL

1шт.

8

47388022

WIRE HARNESS

1шт.

10

47384050

IGNITION SWITCH

1шт.

10

ND101395

KEY

1шт.

11

47388143

CONTROLLER

1шт.

12

47388145

ELECTRICAL WIRE

1шт.

13

47998344

NUT

4шт.

14

ND021847

NUT

4шт.

15

ND092293

NUT

26шт.

16

47998350

SCREW

4шт.

17

ND024232

BOLT

4шт.

18

ND021294

BOLT

2шт.

19

ND024259

BOLT

4шт.

20

47385127

WASHER

2шт.

21

47382273

LOCK WASHER

Serrated

22шт.

22

ND029283

WASHER

2шт.

23

47384010

STEERING SHAFT

1шт.

24

47383995

STEERING WHEEL

1шт.

24

47383997

KNOB

1шт.

24

47384003

COVER

1шт.

25

47383987

HEX SOC SCREW

3шт.

26

47382332

RIVET

2шт.

27

47382329

ANCHOR

2шт.

28

47383990

HOLDER

1шт.

29

47388148

RUBBER MOUNTING

4шт.

30

ND021848

NUT

2шт.

31

47381728

WASHER

4шт.

32

47388036

CLAMP

1шт.

33

47419871

BUTTON PLUG

2шт.

34

47419869

BUTTON PLUG

2шт.

35

ND136103

SCREW

7шт.

36

ND078396

TRIM

0.7"

1шт.

37

47998354

NUT

1шт.

38

47409209

HEX SOC SCREW

4шт.

39

ND078447

CABLE TIE

15шт.

40

ND106910

STRAP

1шт.

Выбрано товаров: 46