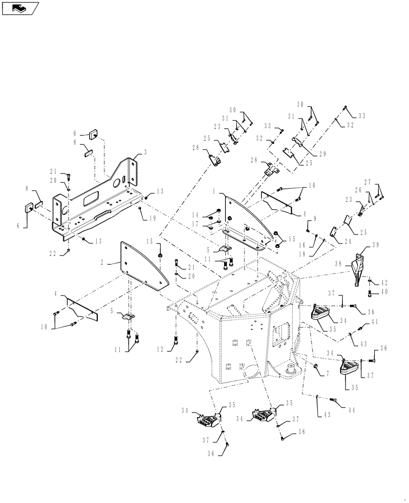
Запчасти Case DV26 (39.100.AS[02]) - FRAME, REAR - BSN NFNTV0040 (39) - FRAMES AND BALLASTING

Схема запчастей Case DV26 - (39.100.AS[02]) - FRAME, REAR - BSN NFNTV0040 (39) - FRAMES AND BALLASTING
25
13
10
34
36
30
26
41
34
3
25
17
43
35
8
4
11
home
20
31
34
15
35
33
33
31
38
21
42
36
24
5
11
43
4
20
9
22
6
8
22
35
5
36
10
18
40
37
15
23
28
39
7
44
2
37
27
29
25
12
21
6
36
37
19
28
16
1
32
13
23
37
32
30
14
35
34
FIT
1:1
100%

Артикул

Название

Примечание

Количество

1

47419550

BRACKET

1шт.

2

47419551

BRACKET

1шт.

3

47419552

BRACKET

1шт.

4

47419563

COVER

2шт.

5

47382197

TOW HOOK

2шт.

6

47382205

RUBBER BUMPER

2шт.

7

47382572

GROMMET

1шт.

8

47382502

REFLECTOR

2шт.

9

47382209

BOLT

1шт.

10

47419565

HEX SOC SCREW

4шт.

11

47381173

BOLT

4шт.

12

47382560

BOLT

4шт.

13

47382244

NUT

, Years: -11-NOV-13

2шт.

13

47383989

NUT

, Start Year: 11-NOV-13

2шт.

14

47381183

NUT

4шт.

15

47382561

NUT

4шт.

16

47382268

WASHER

1шт.

17

47382264

WASHER

4шт.

18

47382273

LOCK WASHER

1шт.

19

47419566

GROMMET

1шт.

20

47382354

ANCHOR

3шт.

21

47419538

HEX SOC SCREW

3шт.

22

47419537

NUT

3шт.

23

47419117

CLAMP

2шт.

24

47419568

BRACKET

1шт.

25

47419548

PAD

3шт.

26

47381220

LOCK WASHER

2шт.

27

47419569

HEX SOC SCREW

2шт.

28

47419547

BRACKET

2шт.

29

47419118

CLAMP

1шт.

30

47385501

HEX SOC SCREW

4шт.

31

47381220

LOCK WASHER

4шт.

32

47382468

WASHER

4шт.

33

47381726

BOLT

4шт.

34

47382586

KIT

Step

1шт.

35

47382592

STEP

4шт.

36

47381732

BOLT

4шт.

37

47382623

LOCK WASHER

4шт.

38

47419586

HOLDER

Kit

1шт.

39

47419588

HOLDER

1шт.

40

47382644

BOLT

1шт.

41

47385207

BOLT

4шт.

42

47382647

WASHER

1шт.

43

47381217

LOCK WASHER

6шт.

44

47382394

BOLT

2шт.

Выбрано товаров: 45