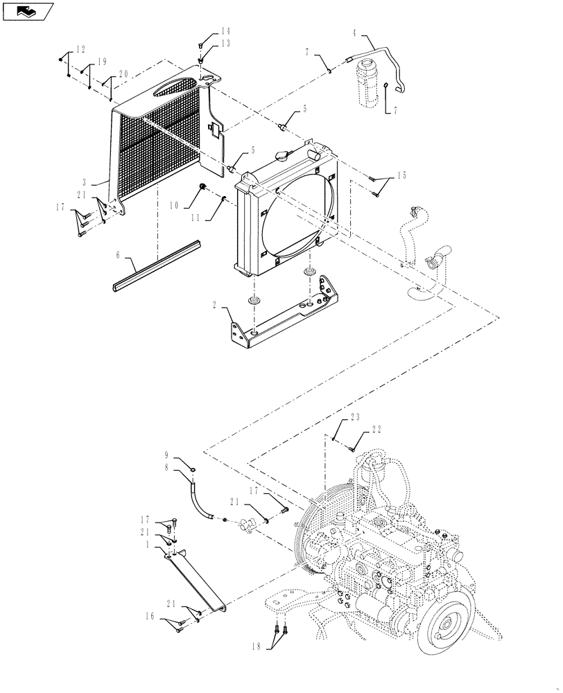
Запчасти Case DV36 (10.400.AE[02]) - RADIATOR GRILLE - BSN NFNTV0040 (10) - ENGINE

Схема запчастей Case DV36 - (10.400.AE[02]) - RADIATOR GRILLE - BSN NFNTV0040 (10) - ENGINE
12
3
2
20
23
5
8
13
14
6
5
21
10
15
21
17
19
17
9
home
21
11
4
22
1
17
7
7
16
18
21
FIT
1:1
100%

Артикул

Название

Примечание

Количество

1

47421020

BRACKET

1шт.

2

47421021

BRACKET

1шт.

3

47421022

RADIATOR GRILLE

1шт.

4

47409419

HOSE

Cut To Length

1шт.

5

47421024

RUBBER BUMPER

2шт.

6

47382700

SEALING STRIP

1шт.

7

47385416

HOSE CLAMP

3шт.

8

47409419

HOSE

Cut To Length

1шт.

9

47421026

HOSE CLAMP

1шт.

10

47423732

PLUG

1шт.

11

47421027

O-RING

1шт.

12

47385956

PROTECTOR

2шт.

13

47382329

ANCHOR

1шт.

14

47382332

RIVET

1шт.

15

47382473

BOLT

2шт.

16

47385483

BOLT

2шт.

17

47381773

BOLT

9шт.

18

47382210

BOLT

4шт.

19

47383003

NUT

2шт.

20

47381220

LOCK WASHER

2шт.

21

47385460

LOCK WASHER

11шт.

22

47385936

BOLT

8шт.

23

47385947

WASHER

8шт.

Выбрано товаров: 23