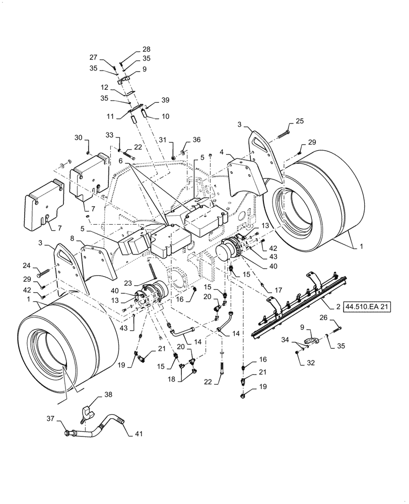
Запчасти Case DV45CC (44.510.EA[20]) - TIRE, MOUNTING (44) - WHEELS

Схема запчастей Case DV45CC - (44.510.EA[20]) - TIRE, MOUNTING (44) - WHEELS
44.510.ea 21
2
35
34
28
32
7
43
25
19
36
13
1
3
42
29
22
13
18
16
4
31
11
10
37
16
17
43
1
24
41
20
15
15
21
8
35
14
9
27
38
40
39
3
40
35
23
26
5
12
14
29
6
15
21
9
30
5
22
19
35
20
42
33
7
FIT
1:1
100%

Артикул

Название

Примечание

Количество

1

NSS

NOT SOLD SEPARAT

Tire, Procure Locally, 10.5 / 80-16

4шт.

1

48069642

RIM

4шт.

1

48069645

VALVE STEM

4шт.

2

48069651

BRACKET

1шт.

3

48069659

EYEBOLT

Lifting

2шт.

4

48069661

PLATE

1шт.

5

48069664

COUNTERWEIGHT

2шт.

6

48069666

COUNTERWEIGHT

2шт.

7

48069667

COUNTERWEIGHT

2шт.

8

48069668

PLATE

1шт.

9

47419117

CLAMP

2шт.

10

48069203

SPACER

2шт.

11

47526419

BRACKET

1шт.

12

47419548

PAD

1шт.

13

48069678

HYDRAULIC MOTOR

Assembly

2шт.

13

47381224

SEAL KIT

1шт.

13

47405398

KIT

5 Bolts, M14 x 1.5

1шт.

13

47405397

KIT

5 Nuts, M14 x 1.5

1шт.

14

48069680

TUBE

2шт.

15

47381250

HYD CONNECTOR

4шт.

16

47424968

HYD CONNECTOR

2шт.

17

47998380

FITTING

2шт.

18

48069213

90 ELBOW

4шт.

19

ND062425

90 ELBOW

2шт.

20

48069218

TEE

2шт.

21

47421442

RUN TEE

2шт.

22

48069685

BOLT

12шт.

23

48069687

BOLT

4шт.

24

48069688

BOLT

4шт.

25

47419192

BOLT

4шт.

26

47526421

SCREW

2шт.

27

48069234

SCREW

2шт.

28

47385501

HEX SOC SCREW

2шт.

29

ND021309

BOLT,M12 x 25

4шт.

30

48069236

NUT

16шт.

31

47381191

NUT

8шт.

32

47383003

NUT

2шт.

33

47382264

WASHER

16шт.

34

47381728

WASHER

4шт.

35

47381220

LOCK WASHER

6шт.

36

47849304

WASHER

8шт.

37

48069393

VALVE STEM

2шт.

38

48069397

HOLDER

2шт.

39

ND069953

NUT

2шт.

40

48069241

LOCK WASHER

10шт.

41

48069395

VALVE STEM

Long

2шт.

42

ND021310

BOLT

8шт.

43

47381217

LOCK WASHER

12шт.

Выбрано товаров: 48