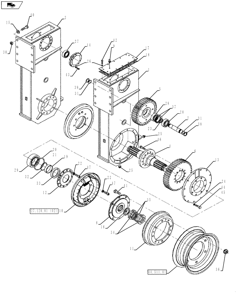
Запчасти Case PT240 (27.120.01[01]) - REAR AXLE DRIVE (GROUP 141-ND000512) (27) - REAR AXLE SYSTEM

Схема запчастей Case PT240 - (27.120.01[01]) - REAR AXLE DRIVE (GROUP 141-ND000512) (27) - REAR AXLE SYSTEM
35
28
14
41
47
24
26
6
34
7
39
15
27
11
47
9
42
23
43
13
18
home
22
32
12
33
21
25
10
2
44
37
20
30
22
38
25
27.120.01 (02)
19
44.511.01
17
5
29
8
40
1
46
36
28
45
4
31
31
16
FIT
1:1
100%

Артикул

Название

Примечание

Количество

1

ND009781

HOUSING

1шт.

2

ND009779

HOUSING

1шт.

4

ND021462

SHAFT

2шт.

5

ND021805

GEAR

, Serial Range: -NANTN2147

4шт.

5

84477960

GEAR

, Serial Range: NANTN2148-NCNTN2579

4шт.

6

ND021523

WHEEL GEAR

, Serial Range: -NANTN2147

2шт.

6

84477961

GEAR

, Serial Range: NANTN2148-NCNTN2579

2шт.

7

ND036390

SHAFT

4шт.

8

ND015192

FLANGE

4шт.

9

ND107208

BLEEDER

2шт.

10

ND064721

BRAKE SHOE

4шт.

11

ND015194

BRAKE DRUM

4шт.

12

ND022154

BEARING COVER

4шт.

13

ND015196

HOLDER

2шт.

14

ND021466

BEARING COVER

2шт.

15

ND029270

WASHER

16шт.

16

ND036394

SPACER

4шт.

17

ND036396

ACCESS COVER

2шт.

17

47598533

BAFFLE

, Start Serial: NCNTN2580

2шт.

17

ND021289

BOLT

, Start Serial: NCNTN2580

6шт.

17

47486602

NUT

, Start Serial: NCNTN2580

6шт.

17

ND118926

WASHER

, Start Serial: NCNTN2580

12шт.

18

ND083358

GASKET

, Serial Range: -NCNTN2579

2шт.

18

47598535

GASKET

, Start Serial: NCNTN2580

2шт.

19

ND036722

RING

4шт.

20

ND036724

SHIM

8шт.

21

ND036726

SHIM

4шт.

22

ND029314

LOCK WASHER

48шт.

23

ND036392

SPACER

4шт.

24

ND029312

LOCK WASHER

24шт.

25

ND089933

PLUG

4шт.

26

ND029310

WASHER

40шт.

27

ND068935

ROLLER BEARING

2шт.

28

ND069004

ROLLER BEARING

8шт.

29

ND069073

BALL BEARING

4шт.

30

ND021859

NUT

16шт.

31

ND079803

RING

8шт.

32

ND079796

RING

4шт.

33

ND079025

OIL SEAL

4шт.

34

ND069116

NUT

8шт.

35

ND069134

COVER PLATE

8шт.

36

ND064418

WHEEL NUT

32шт.

37

ND069894

SNAP RING

8шт.

38

ND069836

SNAP RING

4шт.

39

ND069834

SNAP RING

4шт.

40

ND021257

BOLT

16шт.

41

ND021256

BOLT

32шт.

42

ND021293

BOLT

28шт.

43

ND021183

BOLT

12шт.

44

ND021208

BOLT

16шт.

45

ND021310

BOLT

8шт.

46

ND021362

BOLT

24шт.

47

ND024291

BOLT

48шт.

Выбрано товаров: 53