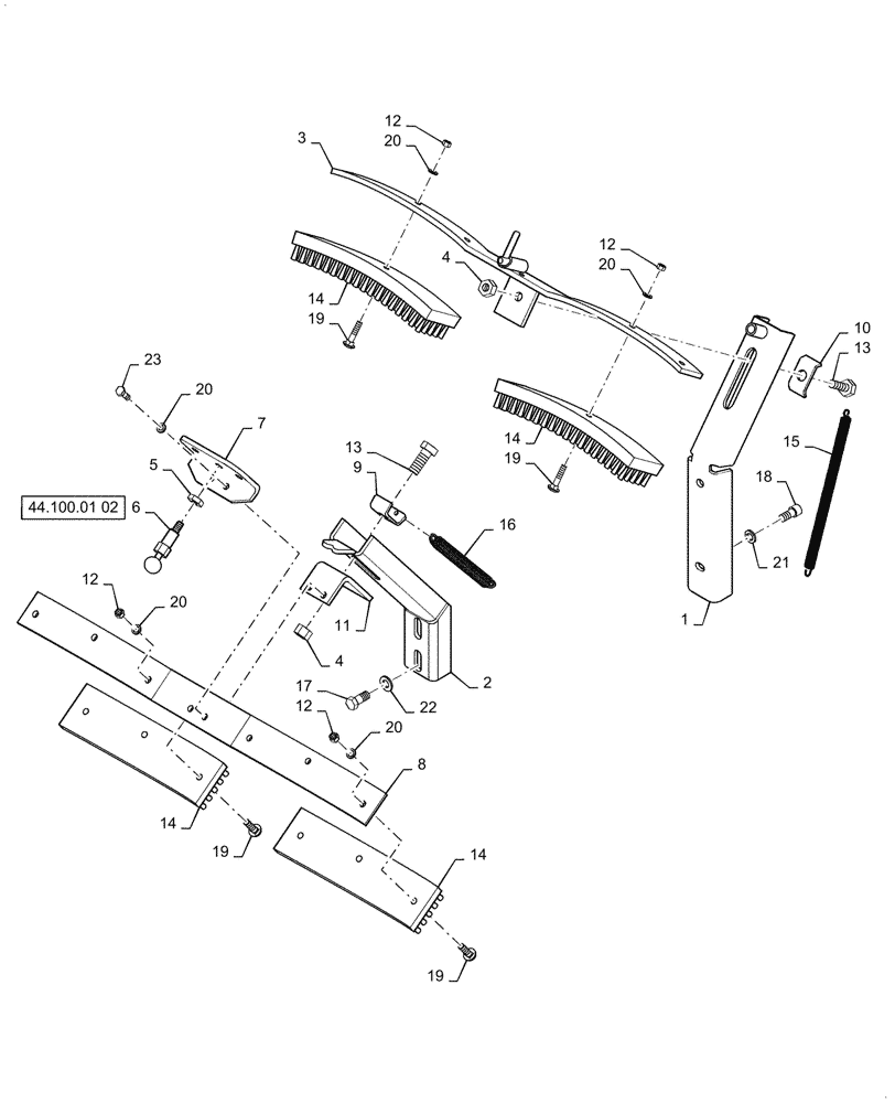
Запчасти Case PT240 (44.100.01[01]) - WHEEL, SCRAPER, STANDARD - BSN NCNTN2446 (44) - WHEELS

Схема запчастей Case PT240 - (44.100.01[01]) - WHEEL, SCRAPER, STANDARD - BSN NCNTN2446 (44) - WHEELS
44.100.01 02
12
20
13
19
8
16
12
3
4
20
20
13
22
4
1
5
23
18
20
12
14
21
19
11
20
17
12
2
15
9
7
19
14
19
6
14
14
10
FIT
1:1
100%

Артикул

Название

Примечание

Количество

1

ND021552

BRACKET

2шт.

2

ND127361

BRACKET

2шт.

3

ND053752

BRACKET

2шт.

4

ND021851

NUT

4шт.

5

ND026472

NUT

2шт.

6

ND127359

LOCKING HANDLE

2шт.

7

ND127356

BRACKET

2шт.

8

ND133953

BRACKET

2шт.

9

ND127341

HOLDER

2шт.

10

ND036431

HOLDER

2шт.

11

ND127355

BRACKET

2шт.

12

ND021848

NUT

24шт.

13

ND021331

BOLT,Hex, M16 x 40mm

4шт.

14

ND085631

BRUSH

8шт.

15

ND121644

SPRING

2шт.

16

ND121644

SPRING

2шт.

17

ND021310

BOLT

4шт.

18

ND024270

BOLT

4шт.

19

ND120072

CARRIAGE BOLT

M8 x 40

24шт.

20

ND035940

SPRING WASHER

28шт.

21

ND035942

WASHER

4шт.

22

ND029267

WASHER

4шт.

23

ND021295

BOLT

4шт.

Выбрано товаров: 23