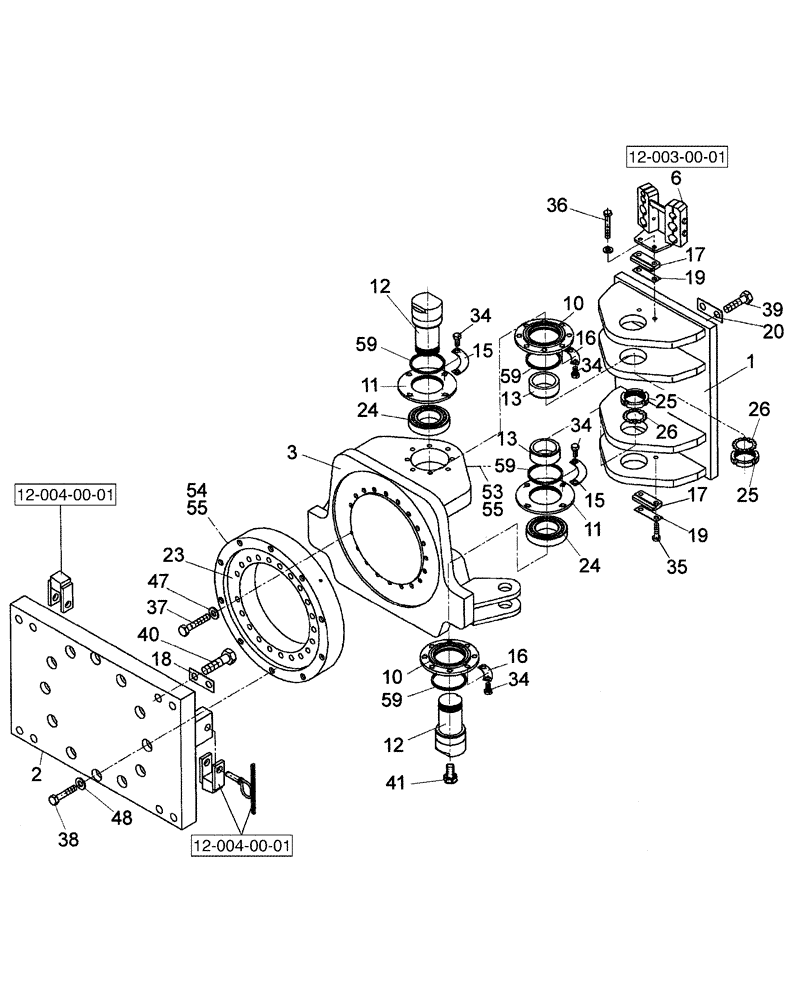
Запчасти Case SV216 (12-002-00[01]) - LINKAGE (09) - CHASSIS/ATTACHMENTS

Схема запчастей Case SV216 - (12-002-00[01]) - LINKAGE (09) - CHASSIS/ATTACHMENTS
34
39
18
36
41
13
53
19
20
25
11
26
17
40
10
16
1
48
25
34
11
13
26
10
59
55
24
16
59
54
47
59
17
35
34
19
34
37
24
23
15
12
59
15
2
6
38
3
12
55
FIT
1:1
100%

Артикул

Название

Примечание

Количество

1

ND011563

SUPPORT

1шт.

2

ND011554

SUPPORT

1шт.

3

ND011572

HUB

1шт.

6

ND103176

SERVICE KIT

1шт.

10

ND030604

FLANGE

2шт.

11

ND030600

COVER

2шт.

12

ND030641

SHOULDERED SHAFT

2шт.

13

ND052237

BUSHING

2шт.

15

ND051966

PLATE

4шт.

16

ND051968

PLATE

8шт.

17

ND052231

COVER PLATE

2шт.

18

ND048878

WASHER

4шт.

19

ND052247

COVER PLATE

2шт.

20

ND052258

WASHER

6шт.

23

ND068780

BEARING

1шт.

24

ND068998

BALL BEARING

2шт.

25

ND069116

NUT

2шт.

26

ND069134

COVER PLATE

MB 14

2шт.

34

ND021309

BOLT,M12 x 25

M12 x 25

24шт.

35

ND021310

BOLT

M12 x 30

2шт.

36

ND021312

BOLT

M12 x 40

2шт.

37

ND021324

SCREW

M14 x 90

19шт.

38

ND021228

BOLT

M16 x 60

12шт.

39

ND021241

BOLT

M20 x 60

12шт.

40

ND021264

BOLT

M24 x 90

8шт.

41

ND021342

BOLT

M20 x 40

1шт.

47

ND029268

WASHER

ID 14

19шт.

48

ND029269

WASHER

ID 17

12шт.

53

ND070130

LUBE NIPPLE

2шт.

54

ND070133

LUBE NIPPLE,M10 x 1

4шт.

55

ND064758

PLUG

6шт.

59

ND079313

RING

90 x 98

4шт.

Выбрано товаров: 32