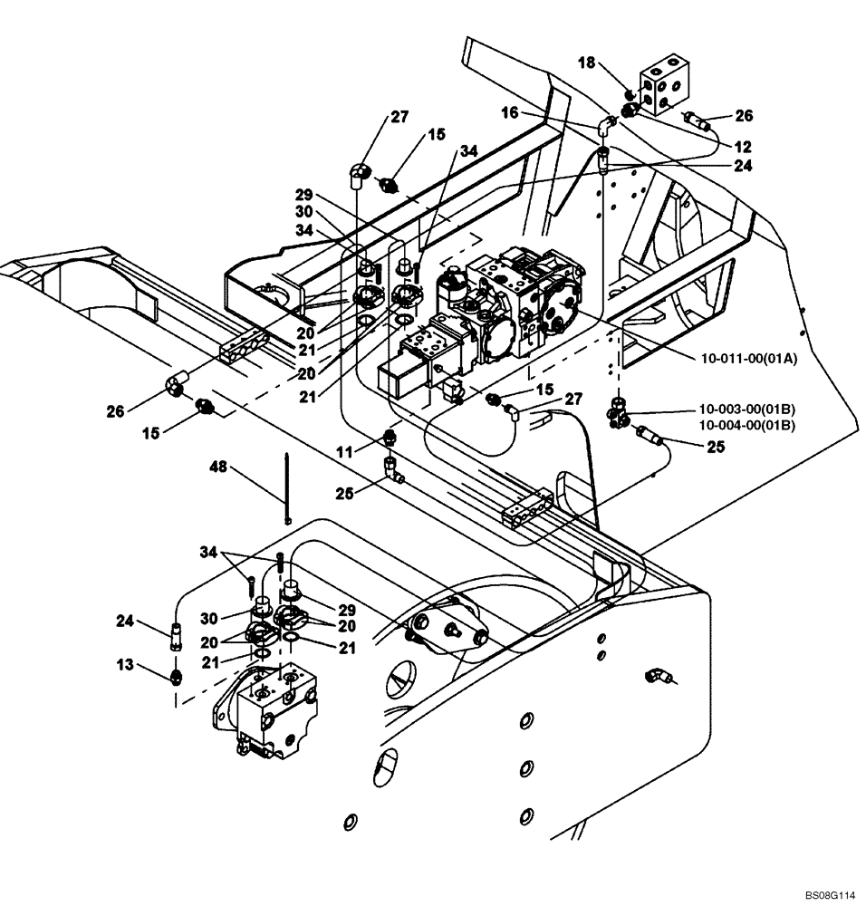
Запчасти Case SV216 (35.910.05) - LINES, VIBRATORY DRUM (P.I.N. DDD001215) (GROUP 325 ) (ND142131) (35) - HYDRAULIC SYSTEMS

Схема запчастей Case SV216 - (35.910.05) - LINES, VIBRATORY DRUM (P.I.N. DDD001215) (GROUP 325 ) (ND142131) (35) - HYDRAULIC SYSTEMS
30
11
34
20
20
21
20
18
30
29
34
48
20
27
16
27
21
12
13
10-003-00(01b)
26
15
29
26
10-011-00(01a)
10-004-00(01b)
25
21
24
15
15
25
21
34
24
FIT
1:1
100%

Артикул

Название

Примечание

Количество

REF

INSTRUCTION

LINES, VIBRATORY DRUM (ND142131) (GROUP 325)

1шт.

11

ND062136

HYD CONNECTOR

1шт.

12

ND062109

HYD CONNECTOR

1шт.

13

ND062181

HYD CONNECTOR

1шт.

15

ND062135

HYD CONNECTOR

3шт.

16

ND062367

HYD CONNECTOR

1шт.

18

ND062378

PLUG

1шт.

20

ND062009

FLANGE

8шт.

21

ND079934

O-RING

4шт.

24

ND134481

HOSE

1шт.

25

ND061148

HOSE

Replaces ND061771 Hose

1шт.

26

ND061516

HOSE,550.00 mm

1шт.

27

ND061517

HOSE,750.00 mm

1шт.

29

ND134480

HOSE

1шт.

30

ND061543

HOSE

1шт.

34

ND034063

BOLT

16шт.

48

ND106910

STRAP

10шт.

Выбрано товаров: 17