Запчасти Case SV216 (55.640.01[01]) - METER INSTALLATION W/PRINTER (GROUP 689) (ND142504) UNTIL DDD001226 (55) - ELECTRICAL SYSTEMS

Схема запчастей Case SV216 - (55.640.01[01]) - METER INSTALLATION W/PRINTER (GROUP 689) (ND142504) UNTIL DDD001226 (55) - ELECTRICAL SYSTEMS
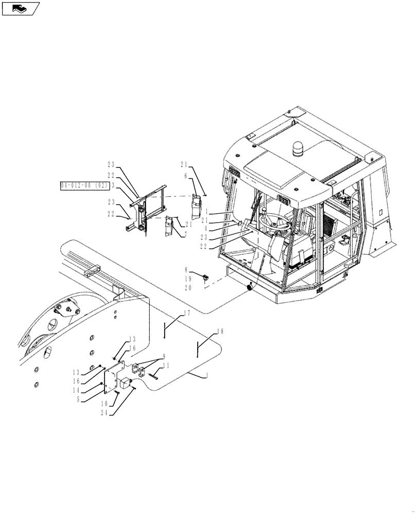
1
13
3
16
22
17
24
9
21
4
18
23
5
10
22
6
19
23
13
14
23
16
20
1
8
11
21
21
home
04-012-00 (02)
22
7
FIT
1:1
100%

Артикул

Название

Примечание

Количество

1

ND142377

HARNESS

1шт.

3

NSS

NOT SOLD SEPARAT

Bracket Assy; See Figure 04-012-00 (02)

1шт.

4

ND135250

COVER

2шт.

5

ND142386

BRACKET

1шт.

6

ND140414

METER

1шт.

7

ND140416

PRINTER

1шт.

8

ND065399

SWITCH

1шт.

9

ND064814

CLAMP

1шт.

10

ND021187

BOLT

4шт.

11

ND024237

BOLT

2шт.

13

ND027300

NUT

4шт.

14

ND034087

NUT

4шт.

16

ND029248

WASHER

8шт.

17

ND078447

CABLE TIE

CABLE STRAP

5шт.

18

ND078445

SECURING STRAP

5шт.

19

ND141687

SYMBOL

1шт.

20

ND117687

TYPE PLATE

1шт.

21

ND110229

BOLT

12шт.

22

ND107948

LOCK NUT

12шт.

23

ND029247

WASHER

20шт.

24

ND024234

BOLT

2шт.

Выбрано товаров: 21