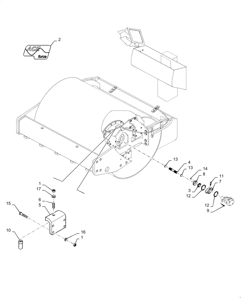
Запчасти Case SV216 (75.200.03[04]) - ACE FORCE DRUM PARTS (75) - SOIL PREPARATION

Схема запчастей Case SV216 - (75.200.03[04]) - ACE FORCE DRUM PARTS (75) - SOIL PREPARATION
15
2
11
1
8
3
1
7
14
13
4
5
10
16
13
6
12
17
12
9
FIT
1:1
100%

Артикул

Название

Примечание

Количество

1

ND021848

NUT

5шт.

2

47863751

DECAL

2шт.

3

47863904

RING

1шт.

4

47863905

SPLINED COUPLING

1шт.

5

47863906

BRACKET

1шт.

6

47660073

STUD

1шт.

7

47863729

FLANGE

1шт.

8

47863907

RING

1шт.

9

47863736

FLANGE BOLT

2шт.

10

ND128435

SENDER UNIT

1шт.

11

47863745

SENSOR

1шт.

12

ND108233

O-RING

2шт.

13

ND069838

SNAP RING

2шт.

14

ND024221

BOLT

4шт.

15

ND111018

BOLT

4шт.

16

ND035940

SPRING WASHER

4шт.

17

ND029249

WASHER

1шт.

Выбрано товаров: 17