Запчасти Case SV216 (90.160.01) - COVER, CONTROL PANEL (GROUP 183) (ND011314) (90) - PLATFORM, CAB, BODYWORK AND DECALS

Схема запчастей Case SV216 - (90.160.01) - COVER, CONTROL PANEL (GROUP 183) (ND011314) (90) - PLATFORM, CAB, BODYWORK AND DECALS
7
19
8
9
1
12
22
9
13
21
12-016-01
12
20
19
12-013-01
23
8
17
FIT
1:1
100%

Артикул

Название

Примечание

Количество

REF

INSTRUCTION

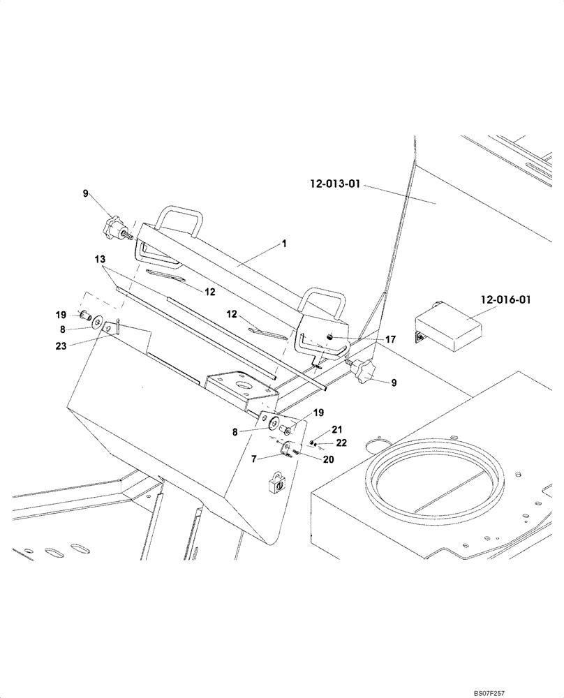
COVER, CONTROL PANEL (ND011314) (GROUP 183)

1шт.

1

ND032312

COVER

1шт.

7

ND098288

EYE

1шт.

8

ND050686

WASHER

2шт.

9

ND098289

BOLT

2шт.

12

ND100028

STRAP

1шт.

13

ND100029

TAPE

1шт.

17

ND079509

GROMMET

9 x 2

1шт.

19

ND069934

RIVET

M8

2шт.

20

ND024362

SCREW

M4 x 8

1шт.

21

ND026413

NUT

M4

1шт.

22

ND029306

WASHER

ID 4,1

1шт.

23

ND029373

COTTER PIN

2шт.

Выбрано товаров: 13