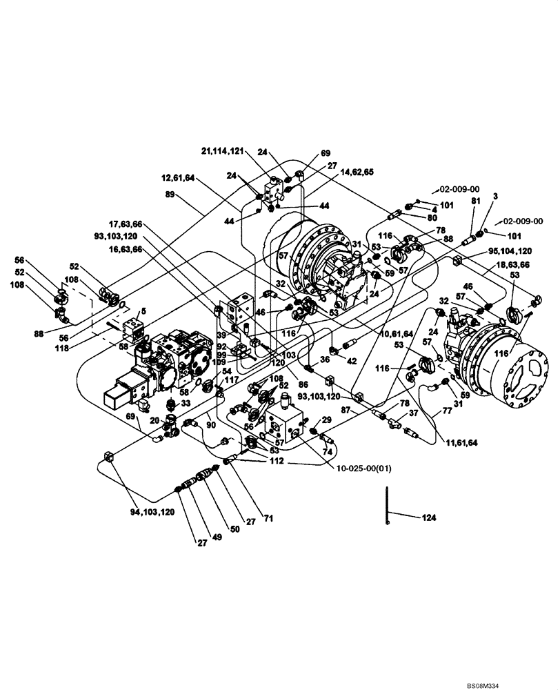
Запчасти Case SV216 (35.353.02[02]) - HYDRAULIC SYSTEM OF TRAVEL, REAR (A) (P.I.N. DDD001215 AND AFTER) (GROUP 305) (ND142127) (35) - HYDRAULIC SYSTEMS

Схема запчастей Case SV216 - (35.353.02[02]) - HYDRAULIC SYSTEM OF TRAVEL, REAR (A) (P.I.N. DDD001215 AND AFTER) (GROUP 305) (ND142127) (35) - HYDRAULIC SYSTEMS
108
118
103
101
109
103
64
49
124
61
120
101
39
53
88
54
16
3
92
120
87
88
5
86
61
52
78
24
31
63
116
57
65
02-009-00
95
94
57
61
66
57
17
24
71
90
66
56
24
53
116
93
108
14
37
46
10
64
93
12
59
20
62
121
103
114
116
56
120
64
46
78
29
69
103
58
56
44
117
80
44
31
27
66
32
57
10-025-00(01)
99
112
50
42
63
89
108
104
27
11
4
120
53
21
33
53
77
02-009-00
53
36
18
52
81
69
32
59
24
58
63
52
27
120
74
57
116
FIT
1:1
100%

Артикул

Название

Примечание

Количество

REF

INSTRUCTION

HYDRAULIC SYSTEM OF TRAVEL, REAR (A) (ND142127) (GROUP 305)

1шт.

3

ND031345

HYD CONNECTOR

1шт.

4

ND138168

HYD CONNECTOR

1шт.

5

ND031247

BLOCK

1шт.

10

ND124180

HYD TUBE

1шт.

11

ND124182

HYD TUBE

1шт.

12

ND127572

HYD TUBE

1шт.

14

ND127573

HYD TUBE

1шт.

16

ND127574

PIPE

1шт.

17

ND127575

HYD TUBE

1шт.

18

ND103203

HYD TUBE

1шт.

20

ND139725

HYD CONNECTOR

1шт.

21

ND123634

VALVE BLOCK

Includes ND067924 Solenoid and ND115381 Brake Pressure Switch

1шт.

21

ND067924

SOLENOID

Not Illustrated

2шт.

21

ND115381

PRESSURE SWITCH

PRESSURE SWITCH; Brake (Not Illustrated)

1шт.

24

ND062153

HYD CONNECTOR

4шт.

27

ND062173

HYD CONNECTOR

3шт.

29

ND137344

HYD CONNECTOR

1шт.

31

ND139010

HYD CONNECTOR

2шт.

32

ND062135

HYD CONNECTOR

2шт.

33

ND062136

HYD CONNECTOR

1шт.

36

ND062294

TEE

1шт.

37

ND062335

TEE

1шт.

39

ND062367

HYD CONNECTOR

1шт.

42

ND062247

HYD CONNECTOR

1шт.

44

ND062452

PLUG

2шт.

46

ND062391

REDUCER

2шт.

49

ND112940

COUPLING, QUICK, FEM

1шт.

50

ND112941

QUICK MALE COUPLING

1шт.

52

ND062007

CLAMP

8шт.

53

ND062008

HALF-COLLAR

10шт.

54

ND062009

FLANGE

2шт.

56

ND079932

O-RING

4шт.

57

ND079933

O-RING

5шт.

58

ND079934

O-RING

2шт.

59

ND079939

O-RING

2шт.

61

ND062039

SEAL

6шт.

62

ND062033

SLEEVE

2шт.

63

ND062037

SEAL

6шт.

64

ND062046

NUT

6шт.

65

ND062047

NUT

2шт.

66

ND062058

NUT

6шт.

69

ND140231

HOSE

1шт.

71

ND127241

HOSE

1шт.

74

ND061847

HOSE

1шт.

77

ND133284

HOSE

1шт.

78

ND103077

HOSE

1шт.

80

ND137826

HOSE

1шт.

81

ND061509

FLEXIBLE HOSE

, Serial Range: -NENTD3484

1шт.

81

47840203

HOSE

, Start Serial: NENTD3485

1шт.

86

ND139989

HOSE

1шт.

87

ND139990

HOSE

1шт.

88

ND104855

HOSE

1шт.

89

ND104856

HOSE

1шт.

90

ND139986

HOSE

1шт.

92

ND064802

SLEEVE

1шт.

93

ND064797

SLEEVE

3шт.

94

ND064786

CLAMP

1шт.

95

ND064799

CLAMP

1шт.

99

ND064807

CLAMP

1шт.

101

ND073366

WASHER

2шт.

103

ND024231

BOLT

5шт.

104

ND024233

BOLT

2шт.

108

ND021296

BOLT

16шт.

109

ND021184

BOLT

1шт.

112

ND021195

BOLT

4шт.

114

ND024264

BOLT

2шт.

116

ND034059

BOLT

16шт.

117

ND034063

BOLT

4шт.

118

ND034062

BOLT

4шт.

120

ND029248

WASHER

9шт.

121

ND035941

WASHER

4шт.

Выбрано товаров: 72