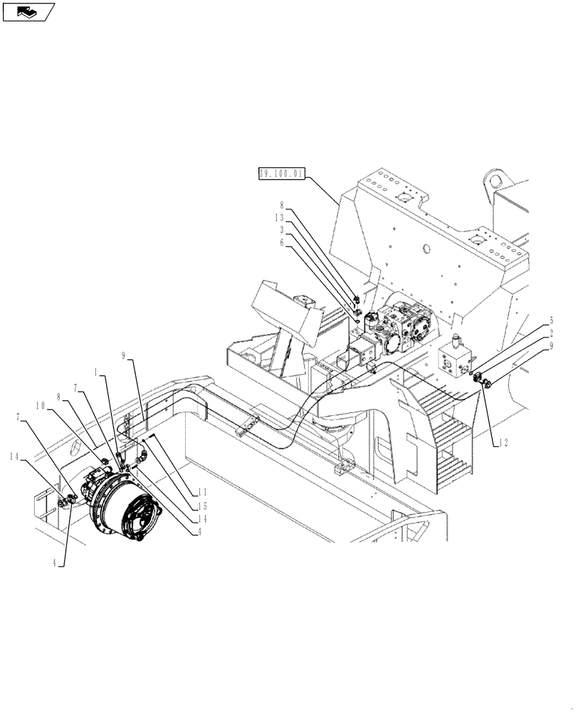
Запчасти Case SV216 (35.353.04[03]) - LINES, FRONT DRUM DRIVE (GROUP 312) (84420262) - NARROW VERSION (35) - HYDRAULIC SYSTEMS

Схема запчастей Case SV216 - (35.353.04[03]) - LINES, FRONT DRUM DRIVE (GROUP 312) (84420262) - NARROW VERSION (35) - HYDRAULIC SYSTEMS
9
14
4
home
8
10
4
11
5
1
13
7
14
39.100.01
9
6
2
15
3
12
8
7
FIT
1:1
100%

Артикул

Название

Примечание

Количество

1

84420263

HOLDER

1шт.

2

ND062007

CLAMP

Split Flange

2шт.

3

ND062008

HALF-COLLAR

2шт.

4

ND062009

FLANGE

Clamp

3шт.

5

ND079932

O-RING

1шт.

6

ND079933

O-RING

1шт.

7

ND079934

O-RING

2шт.

8

ND061507

FLEXIBLE HOSE

1шт.

9

84420265

HYDRAULIC HOSE

1шт.

10

ND061999

CLAMP

1шт.

11

ND024233

BOLT

2шт.

12

ND021183

BOLT

4шт.

13

ND021303

BOLT

4шт.

14

ND021208

BOLT

8шт.

15

ND029248

WASHER

2шт.

Выбрано товаров: 15