Запчасти Case SV216 (35.700.04[04]) - LINES, HYDRAULIC DIAGNOSTIC (P.I.N. DDD001216 AND AFTER) (GROUP 392) (ND142136) (35) - HYDRAULIC SYSTEMS

Схема запчастей Case SV216 - (35.700.04[04]) - LINES, HYDRAULIC DIAGNOSTIC (P.I.N. DDD001216 AND AFTER) (GROUP 392) (ND142136) (35) - HYDRAULIC SYSTEMS
23
6
4
10
9
16
14
5
15
1
18
17
4
19
8
5
21
14
11
9
FIT
1:1
100%

Артикул

Название

Примечание

Количество

REF

INSTRUCTION

LINES, HYDRAULIC DIAGNOSTIC (ND142136) (GROUP 392)

1шт.

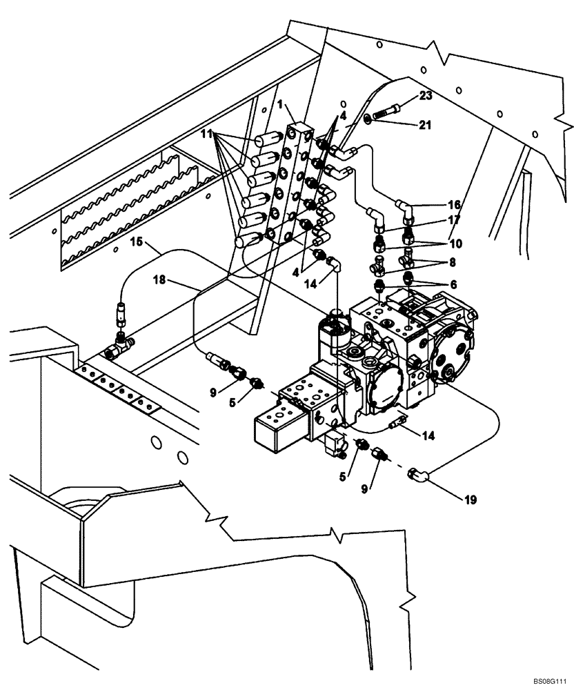
1

ND031315

BLOCK

1шт.

4

ND062197

HYD CONNECTOR

6шт.

5

ND062137

HYD CONNECTOR

2шт.

6

ND062156

HYD CONNECTOR

2шт.

8

ND062403

TEE

2шт.

9

ND062431

HYD CONNECTOR

2шт.

10

ND062436

REDUCER

2шт.

11

ND062258

HYD CONNECTOR

6шт.

14

ND140469

HOSE

1шт.

15

ND061532

HOSE,350.00 mm

1шт.

16

ND061533

HOSE

1шт.

17

ND061534

HOSE,400.00 mm

1шт.

18

ND061535

HOSE,450.00 mm

1шт.

19

ND061705

HOSE,700.00 mm

1шт.

21

ND035940

SPRING WASHER

2шт.

23

ND024245

BOLT

2шт.

Выбрано товаров: 17