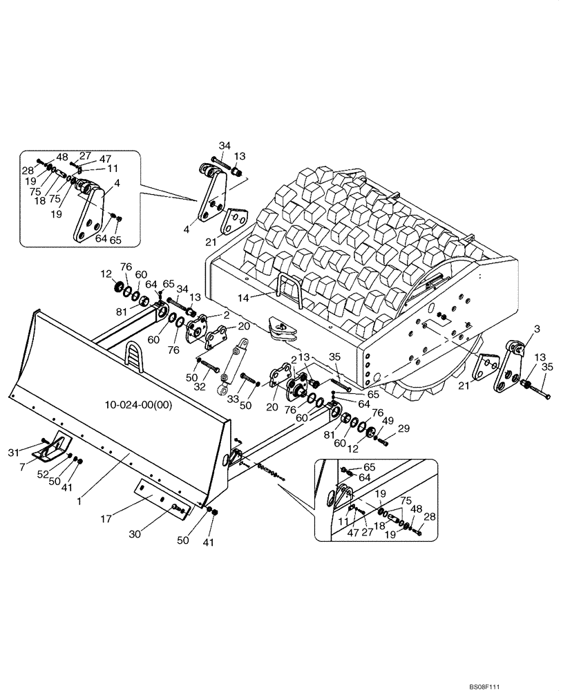
Запчасти Case SV208 (12-027-00[01]) - DOZER BLADE (GROUP 550) (ND109306) (09) - CHASSIS/ATTACHMENTS

Схема запчастей Case SV208 - (12-027-00[01]) - DOZER BLADE (GROUP 550) (ND109306) (09) - CHASSIS/ATTACHMENTS
11
75
2
13
64
12
50
76
19
50
49
18
28
35
60
65
34
65
35
52
50
50
18
75
60
19
20
32
13
30
19
48
27
81
60
34
21
75
19
64
10-024-00(00)
64
64
81
7
76
47
12
20
33
4
76
41
76
21
41
65
29
3
1
60
65
14
47
31
4
48
2
27
13
17
13
11
28
FIT
1:1
100%

Артикул

Название

Примечание

Количество

REF

INSTRUCTION

DOZER BLADE (ND109306) (GROUP 550)

1шт.

1

ND109305

SPARE PART SET

1шт.

2

ND109320

PIN

2шт.

3

ND109323

SUPPORT

1шт.

4

ND109324

SUPPORT

1шт.

7

ND109329

GUIDE

2шт.

11

ND049635

COVER PLATE

4шт.

12

ND109327

COVER

2шт.

13

ND109343

INSERT

10шт.

14

ND109332

SUPPORT TUBE

1шт.

17

ND109328

CUTTING EDGE

4шт.

18

ND098212

PIN

4шт.

19

ND109351

RING

8шт.

20

ND109330

PIN

2шт.

21

ND109331

INSERT

2шт.

27

ND021293

BOLT

M8 x 16

8шт.

28

ND092562

BOLT

M10 x 16

4шт.

29

ND024271

BOLT

M12 x 30

6шт.

30

ND021332

BOLT

M16 x 45

12шт.

31

ND021228

BOLT

M16

4шт.

32

ND021230

BOLT

2шт.

33

ND021232

BOLT

2шт.

34

ND021235

BOLT

Replaces ND021234 Screw

5шт.

35

ND021236

BOLT

Replaces ND021235 Screw Used On Some Models

5шт.

41

ND021851

NUT

16шт.

47

ND035940

SPRING WASHER

ID 8

8шт.

48

ND035941

WASHER

ID 10

4шт.

49

ND029312

LOCK WASHER

6шт.

50

ND035943

WASHER

20шт.

52

ND029269

WASHER

41шт.

60

ND069894

SNAP RING

4шт.

64

ND070133

LUBE NIPPLE,M10 x 1

6шт.

65

ND064758

PLUG

6шт.

75

ND107959

SEAL

8шт.

76

ND106612

RING

4шт.

81

ND068773

BALL BEARING

2шт.

Выбрано товаров: 36