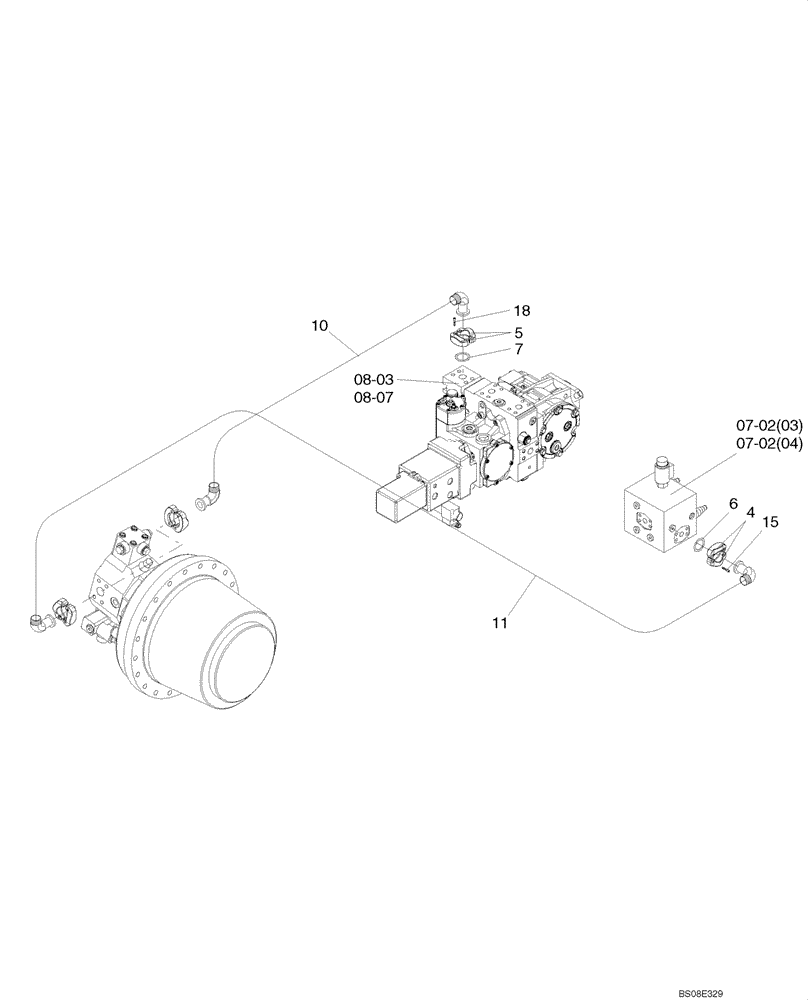
Запчасти Case SV208 (08-04[01]) - HYDRAULIC LINES - FRONT DRUM DRIVE (GROUP 310) (ND139573) (08) - HYDRAULICS

Схема запчастей Case SV208 - (08-04[01]) - HYDRAULIC LINES - FRONT DRUM DRIVE (GROUP 310) (ND139573) (08) - HYDRAULICS
08-07
10
11
7
08-03
18
4
07-02(03)
15
5
6
07-02(04)
FIT
1:1
100%

Артикул

Название

Примечание

Количество

REF

INSTRUCTION

HYDRAULIC LINES, FRONT DRUM DRIVE (ND139573) (GROUP 310)

1шт.

4

ND062007

CLAMP

2шт.

5

ND062008

HALF-COLLAR

2шт.

6

ND079932

O-RING

1шт.

7

ND079933

O-RING

1шт.

10

ND138459

HOSE

1шт.

11

ND138458

HOSE

1шт.

15

ND021183

BOLT

4шт.

18

ND024259

BOLT

4шт.

Выбрано товаров: 9