Запчасти Case SV208 (08-15[01]) - HYDRAULIC LINES, DIAGNOSTIC (GROUP 390) (ND139580) (08) - HYDRAULICS

Схема запчастей Case SV208 - (08-15[01]) - HYDRAULIC LINES, DIAGNOSTIC (GROUP 390) (ND139580) (08) - HYDRAULICS
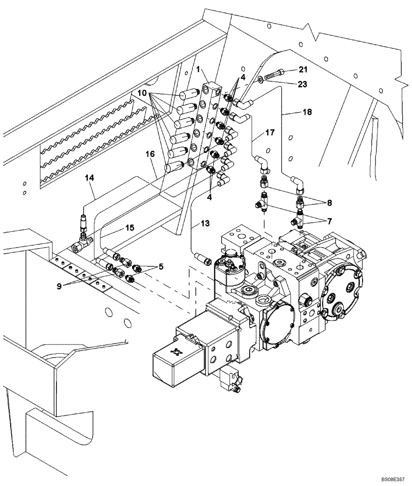
9
16
4
7
13
14
8
23
5
17
10
18
4
15
21
1
FIT
1:1
100%

Артикул

Название

Примечание

Количество

REF

INSTRUCTION

LINES, HYDRAULIC DIAGNOSTICS (ND139580) (GROUP 390)

1шт.

1

ND031315

BLOCK

1шт.

4

ND062197

HYD CONNECTOR

6шт.

5

ND062137

HYD CONNECTOR

2шт.

7

ND062403

TEE

2шт.

8

ND062436

REDUCER

2шт.

9

ND062431

HYD CONNECTOR

2шт.

10

ND062258

HYD CONNECTOR

6шт.

13

ND134289

HOSE

1шт.

14

ND061532

HOSE,350.00 mm

1шт.

15

47937497

HOSE

1шт.

16

ND134289

HOSE

Replaces ND102871 Hose Used On Some Models

1шт.

17

ND102870

HOSE

1шт.

18

ND102869

HOSE,450.00 mm

1шт.

21

ND021294

BOLT

2шт.

23

ND035940

SPRING WASHER

2шт.

Выбрано товаров: 16