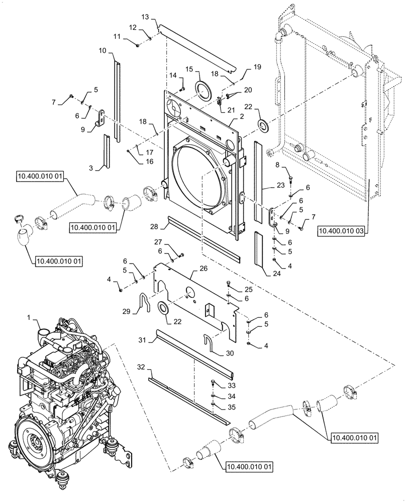
Запчасти Case SV208D (10.400.010[02]) - ENGINE, COOLING SYSTEM (10) - ENGINE

Схема запчастей Case SV208D - (10.400.010[02]) - ENGINE, COOLING SYSTEM (10) - ENGINE
10.400.010 01
23
13
6
1
3
5
25
4
30
5
9
14
11
6
29
9
6
4
4
24
6
26
6
12
31
16
6
10
33
34
15
21
7
2
27
32
7
20
5
17
19
18
5
35
6
5
22
6
28
18
22
8
10.400.010 03
10.400.010 01
10.400.010 01
10.400.010 01
10.400.010 01
FIT
1:1
100%

Артикул

Название

Примечание

Количество

1

48088781

ENGINE

1шт.

2

48089234

Charge Air

COOLER ASSY.

1шт.

3

48089261

SEALING STRIP

1шт.

4

ND021849

NUT

11шт.

5

ND035941

WASHER

43шт.

6

ND035826

WASHER

32шт.

7

ND021301

BOLT

8шт.

8

ND021304

BOLT

4шт.

9

48089238

BRACKET

2шт.

10

48089257

SEALING STRIP

1шт.

11

ND021847

NUT

12шт.

12

ND118926

WASHER

12шт.

13

48089243

BRACKET

1шт.

14

ND021287

BOLT,M8 x 16

4шт.

15

48089255

GROMMET

1шт.

16

ND026413

NUT

2шт.

17

ND029306

WASHER

2шт.

18

ND029246

WASHER

4шт.

19

ND024114

SCREW

2шт.

20

48089271

RUBBER BUSHING

2шт.

21

48089270

HOLDER

1шт.

22

48089252

GROMMET

2шт.

23

48089256

SEALING STRIP

1шт.

24

48089258

SEALING STRIP

1шт.

25

ND021302

BOLT

10шт.

26

48089235

BRACKET

1шт.

27

ND021303

BOLT

7шт.

28

48089262

SEALING STRIP

1шт.

29

48089264

PROTECTOR

1шт.

30

48089266

PROTECTOR

1шт.

31

48089263

SEALING STRIP

1шт.

32

48089239

BRACKET

1шт.

33

ND092867

BOLT,Hex, M8 x 14mm

2шт.

34

ND035940

SPRING WASHER

7шт.

35

ND124603

WASHER

5шт.

Выбрано товаров: 35