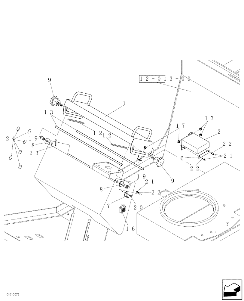
Запчасти Case SV210 (12-017-00[01]) - OPERATORS COMPARTMENT (09) - CHASSIS

Схема запчастей Case SV210 - (12-017-00[01]) - OPERATORS COMPARTMENT (09) - CHASSIS
22
12
19
22
22
6
23
9
20
13
9
19
17
17
21
24
21
16
12
7
1
12-013-00
8
2
8
FIT
1:1
100%

Артикул

Название

Примечание

Количество

1

ND032312

COVER

1шт.

2

ND030303

COVER

1шт.

6

ND051427

WASHER

1шт.

7

ND098288

EYE

1шт.

8

ND050686

WASHER

2шт.

9

ND098289

BOLT

2шт.

12

ND100028

STRAP

1шт.

13

ND100029

TAPE

1шт.

16

ND069779

LOCK

2шт.

17

ND079506

GROMMET

7 x 1

4шт.

19

ND069934

RIVET

M8

2шт.

20

ND024362

SCREW

M4 x 8

1шт.

21

ND026413

NUT

M4

3шт.

22

ND029306

WASHER

ID 4,1

3шт.

23

ND029366

COTTER PIN

2шт.

24

ND101964

DECAL

12шт.

Выбрано товаров: 16