Запчасти Case SV210 (10-009-00[01]) - HYDRAULIC LINES, DIAGNOSTICS (UNTIL P.I.N. DDD000851) (GROUP 390) (ND104265) (08) - HYDRAULICS

Схема запчастей Case SV210 - (10-009-00[01]) - HYDRAULIC LINES, DIAGNOSTICS (UNTIL P.I.N. DDD000851) (GROUP 390) (ND104265) (08) - HYDRAULICS
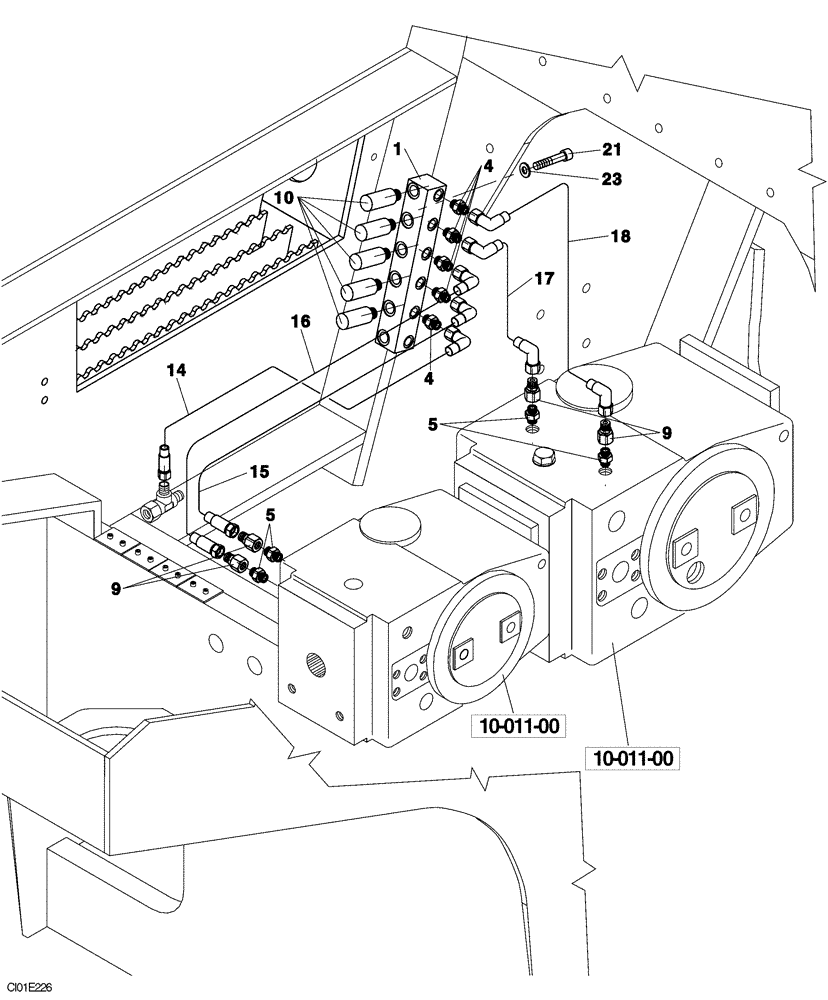
9
16
5
21
4
9
10-011-00
1
10
15
18
10-011-00
14
4
5
17
23
FIT
1:1
100%

Артикул

Название

Примечание

Количество

REF

INSTRUCTION

LINES, HYDRAULIC DIANOSTICS (ND104265) (GROUP 390) Until P.I.N. DDD000851

1шт.

1

ND031315

BLOCK

1шт.

4

ND062197

HYD CONNECTOR

5шт.

5

ND062137

HYD CONNECTOR

4шт.

9

ND062431

HYD CONNECTOR

4шт.

10

ND062258

HYD CONNECTOR

5шт.

14

ND102873

HOSE,720.00 mm

1шт.

15

ND102872

HOSE,320.00 mm

1шт.

16

ND102871

HOSE,450.00 mm

1шт.

17

ND102870

HOSE

320mm

1шт.

18

ND102869

HOSE,450.00 mm

1шт.

21

ND021294

BOLT

M8 x 20

2шт.

23

ND035940

SPRING WASHER

ID8

2шт.

Выбрано товаров: 13