Запчасти Case SV210 (10-009-00[01A]) - HYDRAULIC LINES, DIAGNOSTICS (P.I.N. DDD000852 AND AFTER) (GROUP 390) (ND134450) (08) - HYDRAULICS

Схема запчастей Case SV210 - (10-009-00[01A]) - HYDRAULIC LINES, DIAGNOSTICS (P.I.N. DDD000852 AND AFTER) (GROUP 390) (ND134450) (08) - HYDRAULICS
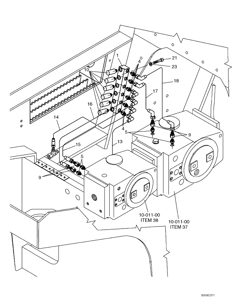
13
5
15
item 37
9
17
4
21
9
18
23
5
1
10-011-00
14
16
item 38
10-011-00
4
10
FIT
1:1
100%

Артикул

Название

Примечание

Количество

REF

INSTRUCTION

LINES, HYDRAULIC DIAGNOSTICS (ND134450) (GROUP 390) P.I.N. DDD000852 And After

1шт.

1

ND031315

BLOCK

1шт.

4

ND062197

HYD CONNECTOR

6шт.

5

ND062137

HYD CONNECTOR

4шт.

9

ND062431

HYD CONNECTOR

4шт.

10

ND062258

HYD CONNECTOR

6шт.

13

ND134289

HOSE

1шт.

14

ND102873

HOSE,720.00 mm

1шт.

15

ND102872

HOSE,320.00 mm

1шт.

16

ND102871

HOSE,450.00 mm

1шт.

17

ND102870

HOSE

1шт.

18

ND102879

HOSE,350.00 mm

1шт.

21

ND021294

BOLT

2шт.

23

ND035940

SPRING WASHER

2шт.

Выбрано товаров: 14