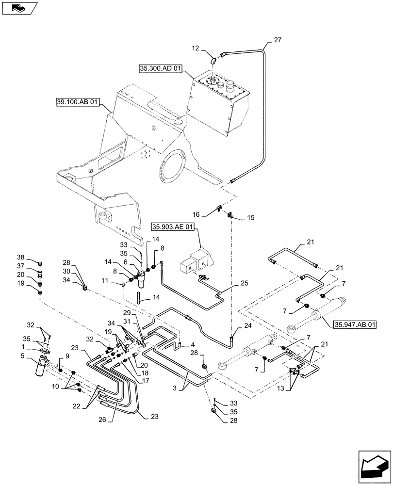
Запчасти Case SV211 (35.947.AC[01]) - HYDRAULIC SYSTEM, STEERING (35) - HYDRAULIC SYSTEMS

Схема запчастей Case SV211 - (35.947.AC[01]) - HYDRAULIC SYSTEM, STEERING (35) - HYDRAULIC SYSTEMS
18
24
20
14
32
26
home
13
21
8
19
21
34
32
38
4
7
28
33
20
5
31
35.903.ae 01
23
11
1
14
35
7
28
27
9
23
12
22
7
7
10
19
6
35
30
37
35.947.ab 01
35.300.ad 01
33
39.100.ab 01
8
25
17
29
16
14
21
3
15
35
28
34
FIT
1:1
100%

Артикул

Название

Примечание

Количество

1

ND025192

PLATE

1шт.

2

ND124194

HYD TUBE

1шт.

3

ND076077

FLEXIBLE HOSE

2шт.

4

ND127576

PIPE

1шт.

5

ND122704

VALVE

Control Valve

1шт.

6

ND123242

FILTER ASSY

Hydraulic Oil Complete, For Indicator See 39

1шт.

6

ND126829

HYDRAULIC OIL FILTER

1шт.

7

ND062317

HYD CONNECTOR

4шт.

8

ND062145

HYD CONNECTOR

1шт.

9

ND062140

HYD CONNECTOR

4шт.

10

ND062196

HYD CONNECTOR

2шт.

11

ND062151

HYD CONNECTOR

1шт.

12

ND062180

HYD CONNECTOR

3шт.

13

ND062262

ELBOW

Connector

1шт.

14

ND062301

HYD CONNECTOR

3шт.

15

ND062302

HYD CONNECTOR

2шт.

16

ND062394

HYD CONNECTOR

1шт.

17

ND062506

FLANGE

1шт.

18

ND123014

FLANGE

1шт.

19

ND112942

FITTING

Quick Coupling

1шт.

20

ND062318

PLUG

1шт.

21

ND107083

HOSE

4шт.

22

ND061522

HOSE

2шт.

23

ND061523

HOSE

1шт.

24

ND123469

HYDRAULIC HOSE

1шт.

25

ND061906

HOSE

1шт.

26

ND061525

HOSE,980.00 mm

1шт.

27

ND123482

HYDRAULIC HOSE

1шт.

28

ND064799

CLAMP

6шт.

29

ND064813

CLAMP

1шт.

30

ND024233

BOLT

12шт.

31

ND024234

BOLT

2шт.

32

ND024257

BOLT

7шт.

33

ND021302

BOLT

4шт.

34

ND029248

WASHER

14шт.

35

ND035941

WASHER

11шт.

36

ND106910

STRAP

Tie (Not Shown)

10шт.

37

ND112942

FITTING

1шт.

38

ND062318

PLUG

1шт.

39

ND145521

INDICATOR

Not Illustrated

1шт.

Выбрано товаров: 40