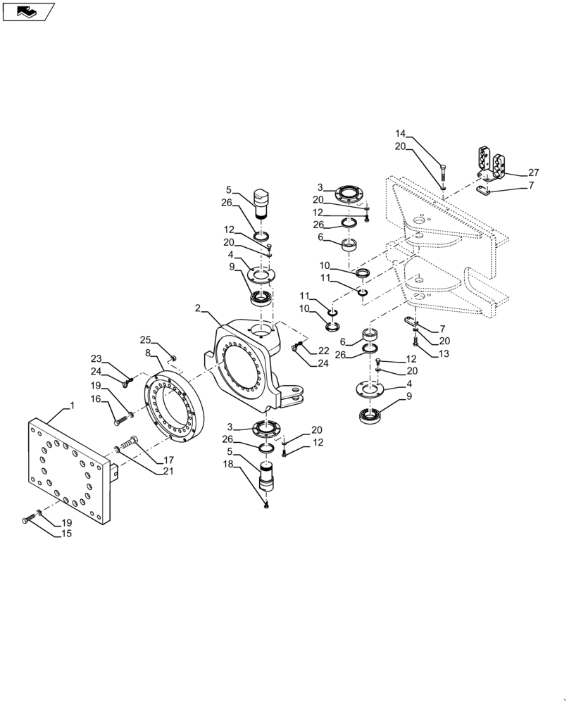
Запчасти Case SV211 (39.100.AN[01]) - ARTICULATION JOINT (39) - FRAMES AND BALLASTING

Схема запчастей Case SV211 - (39.100.AN[01]) - ARTICULATION JOINT (39) - FRAMES AND BALLASTING
26
6
21
20
3
3
12
7
22
16
10
11
2
20
12
9
26
5
24
12
14
20
11
26
13
19
4
18
24
8
home
12
10
23
17
9
20
20
19
6
15
1
5
4
26
7
27
25
20
FIT
1:1
100%

Артикул

Название

Примечание

Количество

1

ND124121

MOUNTING PLATE

1шт.

2

ND128605

FLEXIBLE JOINT

1шт.

3

ND104325

COVER

Lower Cover

2шт.

4

ND104324

COVER

2шт.

5

ND128616

PIN

Knuckle

2шт.

6

ND104382

SPACER

2шт.

7

ND104379

COVER PLATE

2шт.

8

ND127250

BALL BEARING

1шт.

9

ND068995

BALL BEARING

2шт.

10

ND069114

NUT

2шт.

11

ND069132

COVER PLATE

Locking

2шт.

12

ND021309

BOLT,M12 x 25

20шт.

13

ND021310

BOLT

2шт.

14

ND021312

BOLT

2шт.

15

ND101195

BOLT

16шт.

16

ND120981

BOLT

19шт.

17

ND021245

BOLT

8шт.

18

ND021328

BOLT

1шт.

19

ND029267

WASHER

35шт.

20

ND035942

WASHER

24шт.

21

ND035944

WASHER

8шт.

22

ND070130

LUBE NIPPLE

2шт.

23

ND070133

LUBE NIPPLE,M10 x 1

6шт.

24

ND064758

PLUG

Cap

8шт.

25

ND108312

PLUG

19шт.

26

ND079311

RING

Scraper

4шт.

27

ND128615

HOLDER

1шт.

Выбрано товаров: 27