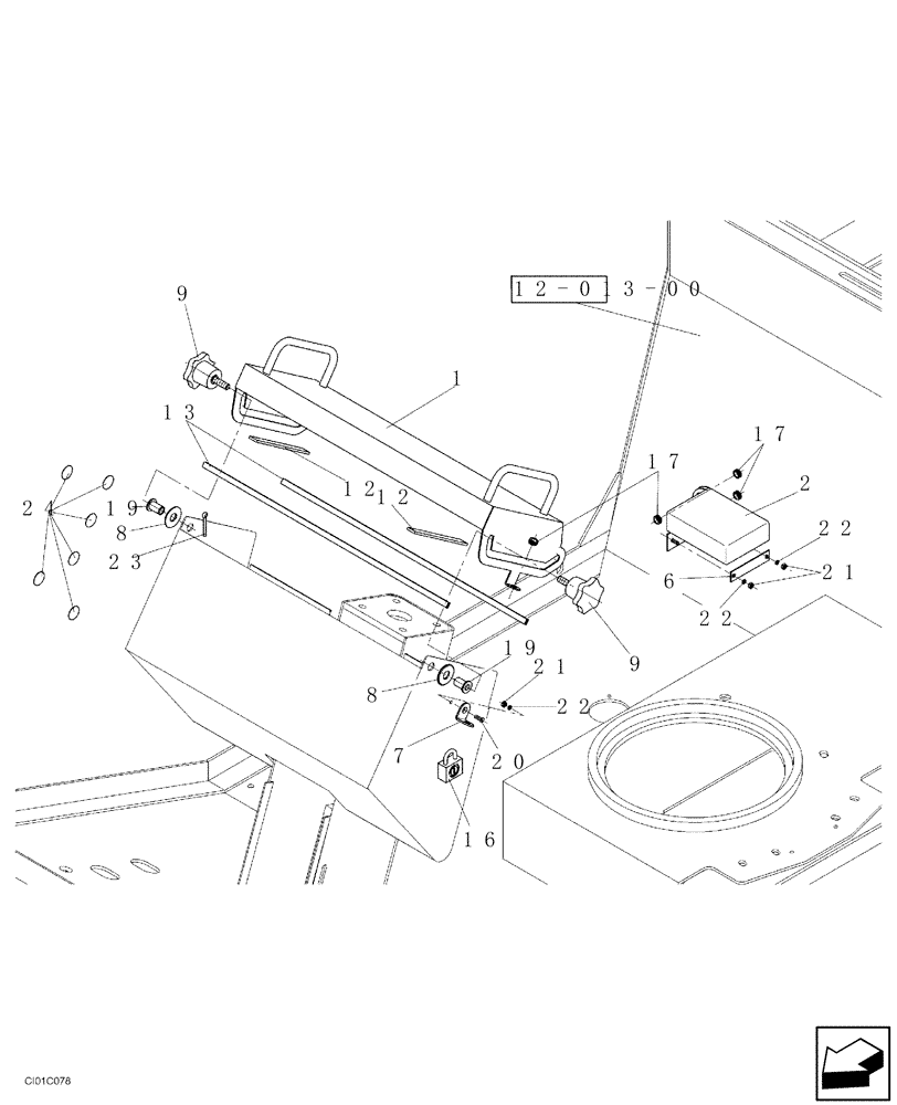
Запчасти Case SV212 (12-017-00[01]) - OPERATORS COMPARTMENT - IF USED (09) - CHASSIS/ATTACHMENTS

Схема запчастей Case SV212 - (12-017-00[01]) - OPERATORS COMPARTMENT - IF USED (09) - CHASSIS/ATTACHMENTS
9
22
2
17
9
6
12
21
12-013-00
7
22
16
12
21
23
24
13
22
19
20
1
17
19
8
8
FIT
1:1
100%

Артикул

Название

Примечание

Количество

1

ND032312

COVER

1шт.

2

ND030303

COVER

1шт.

6

ND051427

WASHER

1шт.

7

ND098288

EYE

1шт.

8

ND050686

WASHER

2шт.

9

ND098289

BOLT

2шт.

12

ND100028

STRAP

1шт.

13

ND100029

TAPE

1шт.

16

ND069779

LOCK

2шт.

17

ND079506

GROMMET

7 x 1

4шт.

17

ND079509

GROMMET

9 x 2

4шт.

19

ND069934

RIVET

M8

2шт.

20

ND024362

SCREW

M4 x 8

1шт.

21

ND026413

NUT

M4

3шт.

22

ND029306

WASHER

ID 4,1

3шт.

23

ND029366

COTTER PIN

2шт.

24

ND101964

DECAL

12шт.

Выбрано товаров: 17