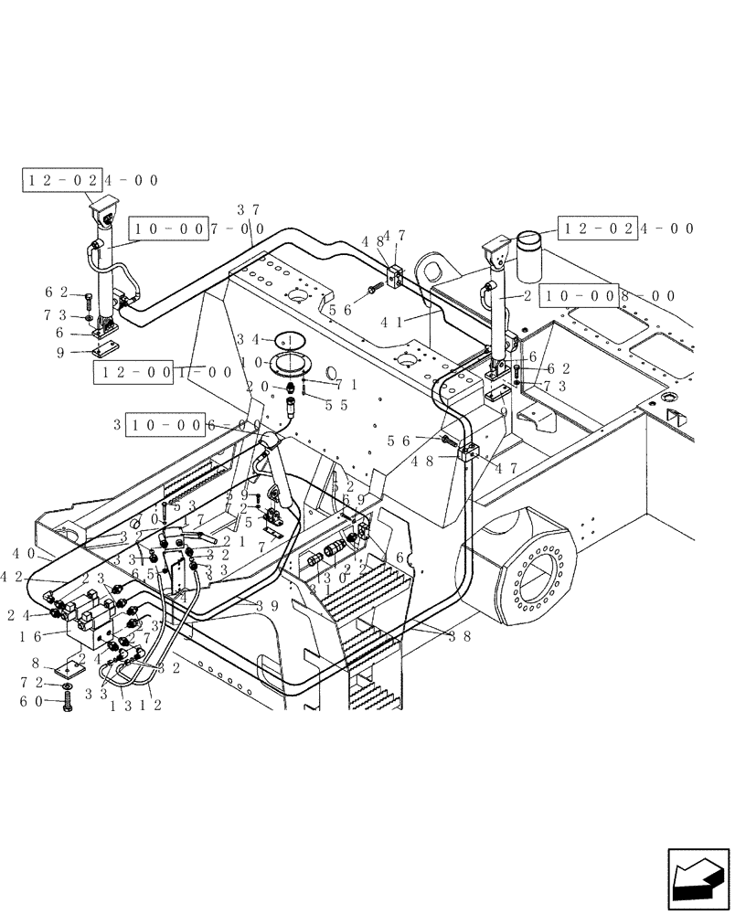
Запчасти Case SV212 (10-005-01[01]) - HYDRAULIC CIRCUIT- OPERATORS COMPARTMENT TILTING CONTROL AND ENGINE HOOD - IF USED (08) - HYDRAULICS

Схема запчастей Case SV212 - (10-005-01[01]) - HYDRAULIC CIRCUIT- OPERATORS COMPARTMENT TILTING CONTROL AND ENGINE HOOD - IF USED (08) - HYDRAULICS
56
34
65
8
10-008-00
31
32
37
7
69
46
24
12
3
13
1
9
27
73
52
53
21
33
12-024-00
33
48
40
72
33
9
32
23
16
42
59
38
12-024-00
23
6
41
10
32
5
30
22
20
62
39
10-007-00
73
72
2
55
60
48
62
70
47
56
17
47
71
24
12-001-00
4
6
10-006-00
FIT
1:1
100%

Артикул

Название

Примечание

Количество

1

ND103127

SERVICE KIT

1шт.

2

ND103131

SERVICE KIT

1шт.

3

ND103132

SERVICE KIT

1шт.

4

ND103158

SUPPORT

1шт.

5

ND103169

SUPPORT

1шт.

6

ND030720

SUPPORT

1шт.

7

ND103188

WASHER

1шт.

8

ND052963

WASHER

1шт.

9

ND098391

NUT

2шт.

10

ND105770

COVER

1шт.

12

ND103195

FLEXIBLE HOSE

1шт.

13

ND103196

FLEXIBLE HOSE

1шт.

16

ND067803

BLOCK

, Serial Range: -NENTC3557

1шт.

16

47715259

SOLENOID VALVE

, Start Serial: NENTC3558

1шт.

17

ND067870

HYDRAULIC PUMP

1шт.

20

ND062200

HYD CONNECTOR

1шт.

21

ND062198

HYD CONNECTOR

1шт.

22

ND062220

HYD CONNECTOR

3шт.

23

ND062233

HYD CONNECTOR

6шт.

24

ND062234

HYD CONNECTOR

2шт.

27

ND062414

ELBOW

2шт.

30

ND062280

QUICK MALE COUPLING

1шт.

31

ND062386

COVER

1шт.

32

ND062038

SEAL

4шт.

33

ND062045

NUT

4шт.

34

ND079809

RING

120 x 3

1шт.

37

ND102092

FLEXIBLE HOSE

800mm

1шт.

38

ND102093

HOSE,1280.00 mm

2шт.

39

ND102094

HOSE,370.00 mm

2шт.

40

ND061562

FLEXIBLE HOSE

910mm

2шт.

41

ND102096

FLEXIBLE HOSE

800mm

1шт.

42

ND103638

FLEXIBLE HOSE

900mm

1шт.

46

ND062001

CLAMP

1шт.

47

ND064851

SLEEVE

2шт.

48

ND064807

CLAMP

2шт.

52

ND024234

BOLT

M6 x 30

2шт.

53

ND021179

BOLT

M6 x 70

3шт.

55

ND024244

BOLT

M8 x 20

4шт.

59

ND021302

BOLT

M10 x 25

3шт.

60

ND021197

BOLT

M10 x 45

2шт.

62

ND021210

BOLT

M12 x 50

8шт.

65

ND021847

NUT

M6

3шт.

69

ND029248

WASHER

ID 6,4

2шт.

70

ND029309

SPRING WASHER

ID 6,1

3шт.

71

ND035940

SPRING WASHER

ID 8

4шт.

72

ND035941

WASHER

ID 10

4шт.

73

ND035942

WASHER

ID 12

4шт.

Выбрано товаров: 47