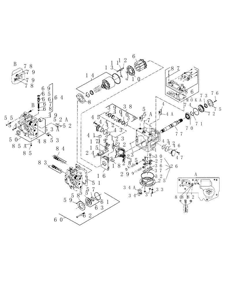
Запчасти Case SV212 (10-013-00[01]) - HYDRAULIC PUMP - VIBRATIONS (08) - HYDRAULICS

Схема запчастей Case SV212 - (10-013-00[01]) - HYDRAULIC PUMP - VIBRATIONS (08) - HYDRAULICS
48
55
79
14
77
46
43
b
78
42
36
32
52a
19
18
12
60
43
29
27
37
39
85a
42
83
25
49
45
b
44
13
47
3
8
moka
52
69
78
59
34
24
79
40
26
10
82
57
4
76
5a
58
75
39
28
33
38
70
11
71
30
87
62
63
81
73
85
72
6
64
65
16
51
66
15
80
1
21
35
17
31
4a
a
20
22
61
86
55
40
54
68
67
53a
5
34a
41
84
53
74
23
7
2
a
50
FIT
1:1
100%

Артикул

Название

Примечание

Количество

ND090921

HYDRAULIC PUMP

1шт.

Consists of 1 - 101

1шт.

1

ND102441

BOX

1шт.

2

ND102340

BEARING

1шт.

3

ND102301

PIN

2шт.

4

ND102474

PLUG

1шт.

Consists of 4A

1шт.

4a

ND102311

O-RING

1шт.

5

ND102474

PLUG

1шт.

Consists of 5A

1шт.

5a

ND102311

O-RING

1шт.

6

ND102317

PLUG

1шт.

Consists of 6A

1шт.

6a

ND102298

O-RING

1шт.

7

ND102322

FILTER

3шт.

8

ND102556

CYLINDER BLOCK

1шт.

9

ND102523

PISTON ASSY

9шт.

10

ND102546

RETAINER

1шт.

11

ND102319

GUIDE

2шт.

12

ND102357

SPACER

4шт.

13

ND102488

SCREW

4шт.

14

ND102554

LOCK CYLINDER

1шт.

15

ND102388

LEVER

1шт.

16

ND102433

THRUST PLATE

1шт.

17

ND102486

SCREW

1шт.

18

ND102557

GUIDE

1шт.

19

ND102345

SCREW

1шт.

20

ND102521

SPACER

1шт.

21

ND102320

PIN

1шт.

22

ND102485

CONNECTING LINK

1шт.

23

ND102432

SCREW

1шт.

24

ND102489

SPRING

1шт.

25

ND102379

COVER

1шт.

26

ND102402

COVER

1шт.

Consists of 25, 30, 36, 37

1шт.

27

ND102542

PIVOT

1шт.

28

ND102532

SPRING CUP

2шт.

29

ND102349

WASHER

2шт.

30

ND102401

GUIDE

2шт.

31

ND102478

NUT

2шт.

32

ND102558

O-RING

1шт.

33

ND102423

SCREW

6шт.

34

ND102317

PLUG

1шт.

35

ND102323

SPRING

2шт.

36

ND102452

GUIDE

1шт.

37

ND102451

GUIDE

1шт.

ND102343

PISTON

1шт.

38

ND102428

PISTON

1шт.

Consists of 39, 40

1шт.

39

ND102342

O-RING

2шт.

40

ND102410

SEAL

2шт.

41

ND102484

BLOCK

1шт.

42

ND102524

O-RING

2шт.

43

ND102327

O-RING

2шт.

44

ND102378

SLEEVE

1шт.

45

ND102424

SCREW

3шт.

46

ND102378

SLEEVE

1шт.

47

ND102424

SCREW

3шт.

48

ND102406

COVER

1шт.

49

ND102338

BUSHING

1шт.

50

ND102483

BUSHING

1шт.

51

ND102464

GASKET

1шт.

52

ND102307

PLUG

1шт.

Consists of 52A

1шт.

52a

ND102311

O-RING

1шт.

53

ND102307

PLUG

1шт.

Consists of 53A

1шт.

53a

ND102311

O-RING

1шт.

54

ND102449

SCREW

1шт.

55

ND102346

SCREW

1шт.

56

ND102335

SPACER

1шт.

57

ND102468

SHAFT

1шт.

58

ND102321

PLATE

1шт.

59

ND102487

SCREW

6шт.

60

ND102405

REPAIR KIT

1шт.

Consists of 55, 57, 58, 59, 61, 62, 63

1шт.

61

ND102506

O-RING

1шт.

62

ND102407

SCREW

4шт.

63

ND102636

COVER

1шт.

Consists of 55, 57

1шт.

64

ND102530

VALVE PRESSURE RELIE

1шт.

Consists of 65 - 69

1шт.

65

ND102386

SCREW

1шт.

66

ND102298

O-RING

1шт.

67

ND102501

SPRING

1шт.

68

ND102334

CONE

1шт.

69

ND102337

NUT

1шт.

70

ND102347

BALL BEARING

1шт.

71

ND102481

SNAP RING

1шт.

72

ND102331

GASKET

1шт.

73

ND102316

SEAL

1шт.

74

ND102568

O-RING

1шт.

75

ND102330

PLATE

1шт.

76

ND102548

SCREW

1шт.

77

ND102332

SHAFT

1шт.

78

ND102508

HYDRAULIC VALVE

2шт.

79

ND102425

PLUG

2шт.

80

ND102637

PLUG

1шт.

81

ND102504

SPRING

1шт.

82

ND102520

SPRING CUP

1шт.

83

ND102528

VALVE PRESSURE RELIE

1шт.

84

ND102528

VALVE PRESSURE RELIE

1шт.

85

ND102493

PLUG

1шт.

85a

ND102299

O-RING

1шт.

86

ND102344

GASKET

1шт.

87

ND102514

SCREW

6шт.

88

ND102312

WASHER

1шт.

Not Illustrated

1шт.

89

ND102480

SEAL

1шт.

Not Illustrated

1шт.

90

ND102465

PLUG

1шт.

Not Illustrated

1шт.

91

ND102465

PLUG

1шт.

Not Illustrated

1шт.

92

ND102465

PLUG

1шт.

Not Illustrated

1шт.

93

ND102398

O-RING

1шт.

Not Illustrated

1шт.

94

ND102476

SCREW

1шт.

Not Illustrated

1шт.

95

ND102336

COVER

1шт.

Not Illustrated

1шт.

96

ND102447

CONTROL VALVE

1шт.

Not Illustrated

1шт.

97

ND102399

PLATE

1шт.

Not Illustrated

1шт.

98

ND102479

SOLENOID VALVE

1шт.

Not Illustrated

1шт.

99

ND102308

O-RING

4шт.

Not Illustrated

1шт.

100

ND102313

SCREW

4шт.

Not Illustrated

1шт.

101

ND102400

SOLENOID VALVE

1шт.

Not Illustrated

1шт.

ND102329

SEAL KIT

1шт.

Выбрано товаров: 135