Запчасти Case SV212 (12-017-00[01]) - CHASSIS - PANEL COVER - PLATFORM (GROUP 183) (ND011314) (09) - CHASSIS/ATTACHMENTS

Схема запчастей Case SV212 - (12-017-00[01]) - CHASSIS - PANEL COVER - PLATFORM (GROUP 183) (ND011314) (09) - CHASSIS/ATTACHMENTS
20
7
9
12
12
8
8
21
19
13
1
17
22
19
9
23
FIT
1:1
100%

Артикул

Название

Примечание

Количество

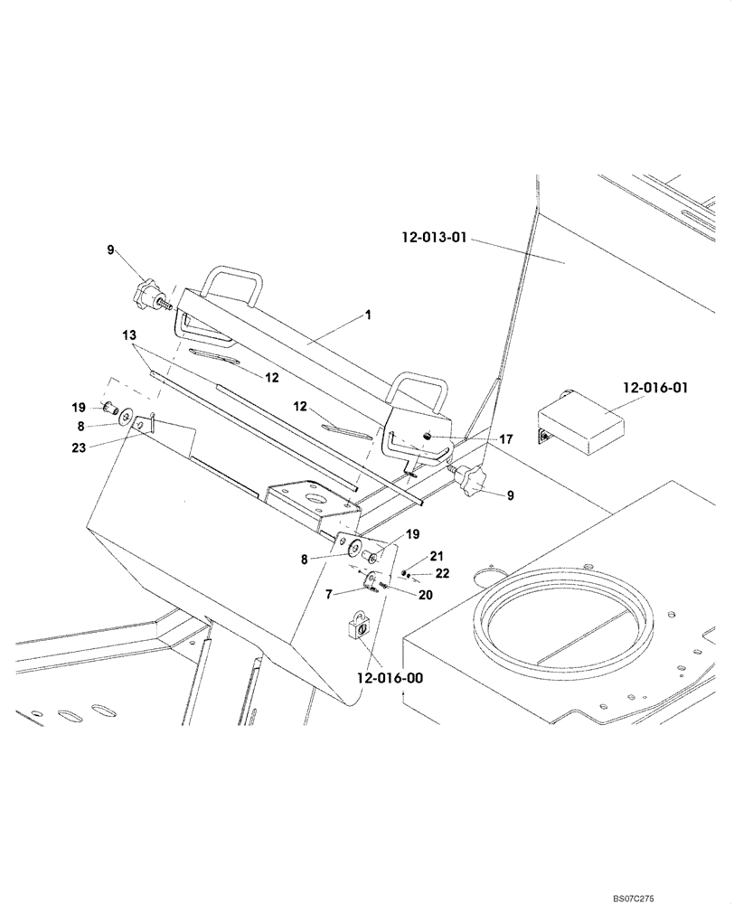
PANEL COVER (ND011314) (GROUP 183)

1шт.

1

ND032312

COVER

1шт.

7

ND098288

EYE

1шт.

8

ND050686

WASHER

2шт.

9

ND098289

BOLT

2шт.

12

ND100028

STRAP

1шт.

13

ND100029

TAPE

1шт.

17

ND079509

GROMMET

9 x 2

4шт.

19

ND069934

RIVET

M8

2шт.

20

ND024362

SCREW

M4 x 8

1шт.

21

ND026413

NUT

M4

3шт.

22

ND029306

WASHER

ID 4,1

3шт.

23

ND029373

COTTER PIN

2шт.

Выбрано товаров: 13