Запчасти Case SV212 (06-002-00[01]) - STEERING - HYDRAULIC CIRCUIT (GROUP 336) (ND127514) (05) - STEERING

Схема запчастей Case SV212 - (06-002-00[01]) - STEERING - HYDRAULIC CIRCUIT (GROUP 336) (ND127514) (05) - STEERING
47
37
29
71
73
54
51
34
41
75
73
22
22
60
44
54
31
67
65
24
44
21
44
60
33
61
55
19
21
36
67
39
71
66
42
28
32
17
31
15
26
23
4
71
12
56
40
10
54
60
21
48
65
73
35
20
46
49
11
38
25
45
21
FIT
1:1
100%

Артикул

Название

Примечание

Количество

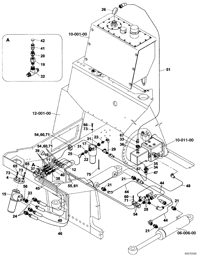
HYDRAULICS OF STEERING (ND127514) (GROUP 336)

1шт.

4

ND025192

PLATE

1шт.

10

ND124194

HYD TUBE

1шт.

11

ND076077

FLEXIBLE HOSE

2шт.

12

ND127576

PIPE

1шт.

15

ND122704

VALVE

1шт.

17

ND123242

FILTER ASSY

; Includes ND126829 - Filter Element

1шт.

ND126829

HYDRAULIC OIL FILTER

Not Illustrated

1шт.

19

ND062317

HYD CONNECTOR

1шт.

20

ND062145

HYD CONNECTOR

1шт.

21

ND062140

HYD CONNECTOR

4шт.

22

ND062196

HYD CONNECTOR

2шт.

23

ND062151

HYD CONNECTOR

1шт.

24

ND062180

HYD CONNECTOR

3шт.

25

ND062262

ELBOW

1шт.

26

ND062301

HYD CONNECTOR

L Coupling

1шт.

28

ND062302

HYD CONNECTOR

T Coupling

2шт.

29

ND062303

HYD CONNECTOR

T Coupling

1шт.

31

ND123013

REDUCER

2шт.

32

ND062394

HYD CONNECTOR

T Coupling

1шт.

33

ND062074

CLAMP

Flange

2шт.

34

ND062013

HALF-COLLAR

Yoke

2шт.

35

ND079933

O-RING

1шт.

36

ND079934

O-RING

1шт.

37

ND062037

SEAL

6шт.

38

ND062036

SEAL

2шт.

39

ND062058

NUT

6шт.

40

ND062051

NUT

2шт.

41

ND112942

FITTING

1шт.

42

ND062318

PLUG

1шт.

44

ND107083

HOSE

Replaces ND123468 Hose

4шт.

45

ND061522

HOSE

2шт.

46

ND061523

HOSE

1шт.

47

ND127243

HOSE

1шт.

48

ND127239

HOSE

1шт.

49

ND061525

HOSE,980.00 mm

1шт.

51

ND127246

HOSE

1шт.

54

ND064799

CLAMP

Sleeve

6шт.

55

ND064813

CLAMP

Sleeve

1шт.

60

ND024233

BOLT

12шт.

61

ND024234

BOLT

2шт.

65

ND024257

BOLT

7шт.

66

ND021302

BOLT

4шт.

67

ND024259

BOLT

8шт.

71

ND029248

WASHER

14шт.

73

ND035941

WASHER

11шт.

75

ND106910

STRAP

Link tape

10шт.

Выбрано товаров: 0