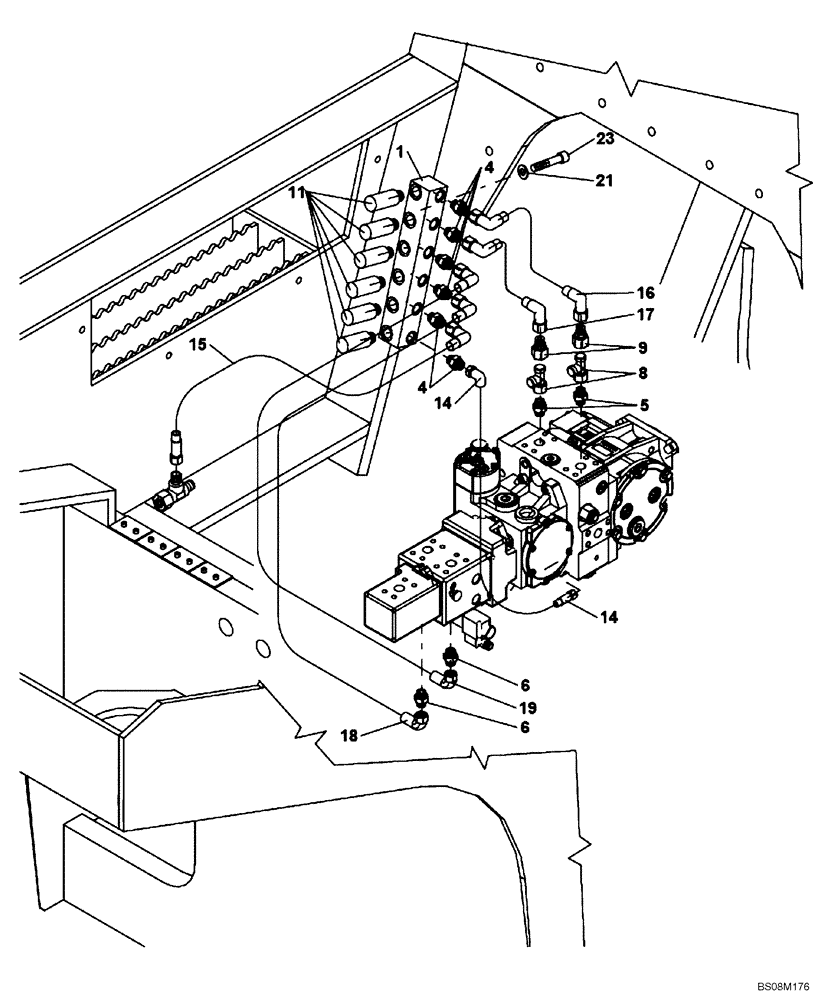
Запчасти Case SV212 (35.700.05[02]) - LINES, HYDRAULIC DIAGNOSTIC (ACE) - ASN DDD003016 (35) - HYDRAULIC SYSTEMS

Схема запчастей Case SV212 - (35.700.05[02]) - LINES, HYDRAULIC DIAGNOSTIC (ACE) - ASN DDD003016 (35) - HYDRAULIC SYSTEMS
1
14
11
21
18
17
9
6
16
23
14
15
4
6
5
19
8
4
FIT
1:1
100%

Артикул

Название

Примечание

Количество

REF

INSTRUCTION

LINES, HYDRAULIC DIAGNOSTIC (ACE) (ND142135)

1шт.

1

ND031315

BLOCK

1шт.

4

ND062197

HYD CONNECTOR

6шт.

5

ND062156

HYD CONNECTOR

2шт.

6

ND120738

PIPE

2шт.

8

ND062403

TEE

2шт.

9

ND062436

REDUCER

2шт.

11

ND062258

HYD CONNECTOR

Diagnostic Coupler

6шт.

14

ND140469

HOSE

1шт.

15

ND061532

HOSE,350.00 mm

1шт.

16

ND061533

HOSE

1шт.

17

ND061534

HOSE,400.00 mm

1шт.

18

ND120736

HOSE

1шт.

19

ND120737

HOSE

1шт.

21

ND035940

SPRING WASHER

Spring

2шт.

23

ND024245

BOLT

2шт.

Выбрано товаров: 0