Запчасти Case SV212 (35.700.06) - LINES, HYDRAULIC DIAGNOSTIC - BTW DDD001149 - DDD003016 (35) - HYDRAULIC SYSTEMS

Схема запчастей Case SV212 - (35.700.06) - LINES, HYDRAULIC DIAGNOSTIC - BTW DDD001149 - DDD003016 (35) - HYDRAULIC SYSTEMS
10
23
5
10
10
19
18
14
21
5
4
11
1
16
17
15
FIT
1:1
100%

Артикул

Название

Примечание

Количество

REF

INSTRUCTION

LINES, HYDRAULIC DIAGNOSTIC (ND011985) (GROUP 390)

1шт.

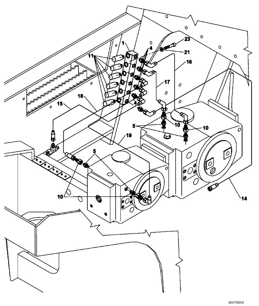
1

ND031315

BLOCK

1шт.

4

ND062197

HYD CONNECTOR

6шт.

5

ND062137

HYD CONNECTOR

4шт.

10

ND062431

HYD CONNECTOR

4шт.

11

ND062258

HYD CONNECTOR

6шт.

14

ND061703

HOSE,900.00 mm

1шт.

15

ND061532

HOSE,350.00 mm

1шт.

16

ND061533

HOSE

550mm

1шт.

17

ND061534

HOSE,400.00 mm

1шт.

18

ND061535

HOSE,450.00 mm

1шт.

19

ND061705

HOSE,700.00 mm

1шт.

21

ND035940

SPRING WASHER

ID 8

2шт.

23

ND024245

BOLT

M8 x 25

2шт.

Выбрано товаров: 14