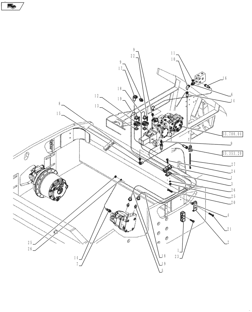
Запчасти Case SV212 (35.910.06) - LINES, VIBRATORY DRUM - NARROW VERSION - ASN NDNTC3515 (35) - HYDRAULIC SYSTEMS

Схема запчастей Case SV212 - (35.910.06) - LINES, VIBRATORY DRUM - NARROW VERSION - ASN NDNTC3515 (35) - HYDRAULIC SYSTEMS
35.353.20
14
11
4
26
5
17
19
9
27
13
18
9
23
21
1
14
9
22
3
12
18
15
19
24
26
2
8
25
20
25
16
10
6
1
7
35.700.04
FIT
1:1
100%

Артикул

Название

Примечание

Количество

1

84420272

CLAMP

2шт.

2

84420275

HOLDER

, Serial Range: -NBNTC3032

1шт.

2

84588813

HOLDER

, Start Serial: NBNTC3033

1шт.

3

84420276

SPACER

1шт.

4

84420277

SPACER

2шт.

5

ND062129

HYD CONNECTOR

2шт.

6

ND062109

HYD CONNECTOR

1шт.

7

ND062181

HYD CONNECTOR

1шт.

8

ND062138

HYD CONNECTOR

1шт.

9

ND062135

HYD CONNECTOR

3шт.

10

ND062367

HYD CONNECTOR

1шт.

11

ND062378

PLUG

1шт.

12

ND062008

HALF-COLLAR

4шт.

13

ND079933

O-RING

2шт.

14

84420279

HYDRAULIC HOSE

1шт.

15

ND144041

HYDRAULIC HOSE

1шт.

16

ND140227

HOSE

1шт.

17

ND140229

HOSE

1шт.

18

ND140202

HOSE

1шт.

19

84420280

HYDRAULIC HOSE

1шт.

20

84420223

SCREW

2шт.

21

84420225

SCREW

2шт.

22

ND024260

BOLT

8шт.

23

ND021201

BOLT

2шт.

24

ND024709

BOLT

2шт.

25

ND021849

NUT

4шт.

26

ND035941

WASHER

4шт.

27

ND106910

STRAP

10шт.

Выбрано товаров: 28