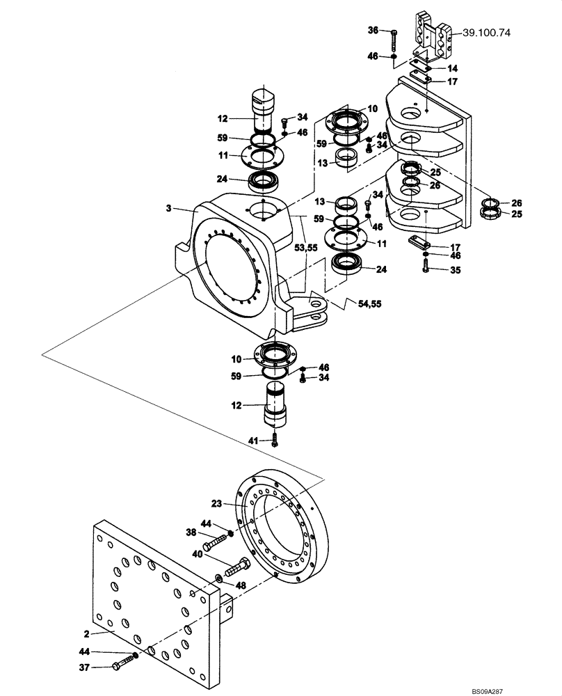
Запчасти Case SV212 (39.100.21[02]) - ARTICULATION JOINT - ASN DDD001115 (39) - FRAMES AND BALLASTING

Схема запчастей Case SV212 - (39.100.21[02]) - ARTICULATION JOINT - ASN DDD001115 (39) - FRAMES AND BALLASTING
2
44
34
46
17
10
35
46
44
41
59
55
11
11
55
12
53
54
24
26
34
38
24
59
12
39.100.74
46
48
34
13
46
40
36
59
13
3
34
46
25
23
59
37
46
25
14
17
10
26
FIT
1:1
100%

Артикул

Название

Примечание

Количество

2

ND133245

LARGE PLATE

PLATE, LARGE Frame

1шт.

3

ND133244

HUB

II

1шт.

10

ND030604

FLANGE

Lower Cover

2шт.

11

ND128420

COVER

Top

2шт.

12

ND126754

PIN

Knuckle

2шт.

13

ND052237

BUSHING

2шт.

14

ND128429

WASHER

1шт.

17

ND052231

COVER PLATE

2шт.

23

ND124214

BEARING

, Serial Range: -NFNTC3767

1шт.

23

47937498

SPH ROLLER BEARING

, Start Serial: NFNTC3768

1шт.

24

ND068998

BALL BEARING

2шт.

25

ND069116

NUT

2шт.

26

ND069134

COVER PLATE

MB 14

2шт.

34

ND021309

BOLT,M12 x 25

24шт.

35

ND021310

BOLT

M12 x 30

2шт.

36

ND021312

BOLT

M12 x 40

2шт.

37

ND124217

BOLT

M14 x 90

23шт.

38

ND132700

BOLT

24шт.

40

ND021264

BOLT

M24 x 90

8шт.

41

ND021342

BOLT

M20 x 40

1шт.

44

ND029268

WASHER

47шт.

46

ND035942

WASHER

28шт.

48

ND035946

SPRING WASHER

ID 17

8шт.

53

ND070130

LUBE NIPPLE

2шт.

54

ND070133

LUBE NIPPLE,M10 x 1

6шт.

55

ND064758

PLUG

8шт.

59

ND079313

RING

90 x 98

4шт.

Выбрано товаров: 0