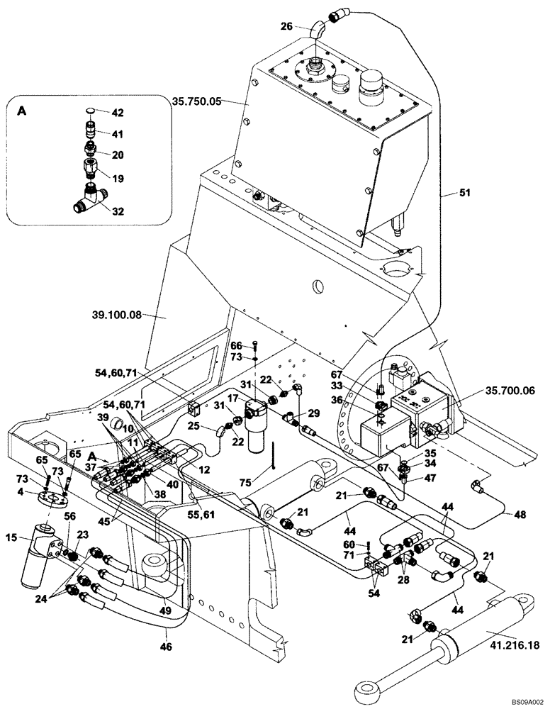
Запчасти Case SV212 (41.200.01) - LINES, HYDRAULIC STEERING (GROUP 336) (ND127514) (41) - STEERING

Схема запчастей Case SV212 - (41.200.01) - LINES, HYDRAULIC STEERING (GROUP 336) (ND127514) (41) - STEERING
20
75
56
31
42
60
47
67
15
45
23
21
26
32
21
19
48
22
44
36
73
35.750.05
10
35.700.06
41.216.18
39.100.08
35
4
17
39
71
11
73
44
21
60
37
25
49
29
31
54
51
28
22
55
65
67
61
60
44
71
66
33
34
38
40
73
12
21
24
71
54
54
65
41
46
FIT
1:1
100%

Артикул

Название

Примечание

Количество

REF

INSTRUCTION

LINES, HYDRAULIC STEERING ( ND127514) (GROUP 336)

1шт.

4

ND025192

PLATE

1шт.

10

ND124194

HYD TUBE

1шт.

11

ND076077

FLEXIBLE HOSE

2шт.

12

ND127576

PIPE

1шт.

15

47627744

STEERING VALVE

1шт.

17

ND123242

FILTER ASSY

1шт.

17-1

ND126829

HYDRAULIC OIL FILTER

Not illustrated

1шт.

17-2

ND145521

INDICATOR

1шт.

19

ND062317

HYD CONNECTOR

1шт.

20

ND062145

HYD CONNECTOR

1шт.

21

ND062140

HYD CONNECTOR

4шт.

22

ND139058

HYD CONNECTOR

2шт.

23

ND062151

HYD CONNECTOR

1шт.

24

ND062180

HYD CONNECTOR

3шт.

25

ND062262

ELBOW

1шт.

26

ND062301

HYD CONNECTOR

L Coupling

1шт.

28

ND062302

HYD CONNECTOR

T Coupling

2шт.

29

ND062303

HYD CONNECTOR

T Coupling

1шт.

31

ND123013

REDUCER

If Used

2шт.

32

ND062394

HYD CONNECTOR

T Coupling

1шт.

33

ND062074

CLAMP

Flange

2шт.

34

ND062013

HALF-COLLAR

Yoke

2шт.

35

ND079933

O-RING

1шт.

36

ND079934

O-RING

1шт.

37

ND062037

SEAL

6шт.

38

ND062036

SEAL

2шт.

39

ND062058

NUT

6шт.

40

ND062051

NUT

2шт.

41

ND112942

FITTING

1шт.

42

ND062318

PLUG

1шт.

44

47482785

HOSE

Replaces ND123468 Hose

4шт.

45

47477201

HOSE

2шт.

46

47477205

HOSE

1шт.

47

47482787

HOSE

, Serial Range: -NFNTC3743

1шт.

47

47937495

HOSE

, Start Serial: NFNTC3744

1шт.

48

ND127239

HOSE

1шт.

49

ND061525

HOSE,980.00 mm

1шт.

51

ND127246

HOSE

1шт.

54

ND064799

CLAMP

Sleeve

6шт.

55

ND064813

CLAMP

Sleeve

1шт.

60

ND024233

BOLT

12шт.

61

ND024234

BOLT

2шт.

65

ND024257

BOLT

7шт.

66

ND021302

BOLT

4шт.

67

ND024259

BOLT

8шт.

71

ND029248

WASHER

14шт.

73

ND035941

WASHER

11шт.

75

ND106910

STRAP

Link tape

10шт.

Выбрано товаров: 49