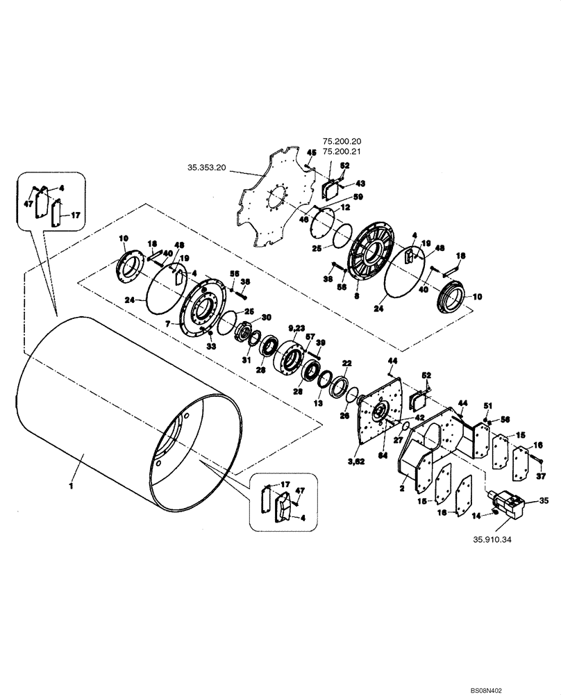
Запчасти Case SV212 (75.200.01[02]) - DRUM, SMOOTH VIBRATORY - BTW DDD001149 - DDD003016 (75) - SOIL PREPARATION

Схема запчастей Case SV212 - (75.200.01[02]) - DRUM, SMOOTH VIBRATORY - BTW DDD001149 - DDD003016 (75) - SOIL PREPARATION
16
7
10
44
52
48
26
27
39
62
56
23
44
59
38
75.200.21
75.200.20
35.353.20
40
18
30
48
24
35.910.34
16
4
35
25
28
2
33
28
56
1
52
19
31
47
45
43
57
18
15
22
17
64
17
46
14
42
4
24
9
15
3
56
4
25
13
4
12
38
10
8
19
47
37
40
51
FIT
1:1
100%

Артикул

Название

Примечание

Количество

REF

INSTRUCTION

DRUM, SMOOTH VIBRATORY (ND103098) (GROUP 1)

1шт.

1

ND011744

DRUM

1шт.

2

ND103118

SUPPORT

1шт.

3

ND119054

PLATE

1шт.

4

ND030914

OILER

4шт.

7

ND011710

COVER

1шт.

8

ND011785

COVER

1шт.

9

ND018184

HUB

1шт.

10

ND024347

FLANGE

2шт.

12

ND031193

COVER

1шт.

13

ND029017

RING

1шт.

14

ND118093

BOLT

2шт.

15

ND052831

SPACER

2шт.

16

ND052829

SPACER

2шт.

17

ND031828

PLATE

2шт.

18

ND042357

WASHER

8шт.

19

ND052827

WASHER

8шт.

22

ND079060

OIL SEAL

210 x 240 x 15

1шт.

23

ND068985

RING

1шт.

24

ND108238

O-RING

2шт.

25

ND108239

O-RING

2шт.

26

ND108235

O-RING

1шт.

27

ND108233

O-RING

1шт.

28

ND069049

BALL BEARING,130mm ID x 180mm OD x 32mm W

2шт.

30

ND069123

NUT

M130 x 2

1шт.

31

ND069141

WASHER

1шт.

33

ND065651

PLUG

4шт.

35

NSS

NOT SOLD SEPARAT

ND103370 Motor, Hydraulic; For Service Breakdown See Figure 35.910.34

1шт.

37

ND021246

BOLT

M20 x 90

12шт.

38

ND021243

BOLT

M20 x 70

24шт.

39

ND021236

BOLT

M16 x 130

12шт.

40

ND021333

BOLT

M16 x 50

16шт.

42

ND024285

BOLT

M14 x 25

3шт.

43

ND021212

BOLT

M12 x 65

32шт.

44

ND021312

BOLT

M12 x 35

48шт.

45

ND021311

BOLT

32шт.

46

ND021309

BOLT,M12 x 25

M12 x 25

8шт.

47

ND021295

BOLT

M8 x 25

8шт.

48

ND021293

BOLT

M8 x 16

8шт.

51

ND021853

NUT

M20

12шт.

52

ND034086

NUT

M12

112шт.

56

ND035944

WASHER

ID 20

36шт.

57

ND035943

WASHER

ID 16

12шт.

59

ND035942

WASHER

ID 12

8шт.

62

ND107208

BLEEDER

1шт.

64

ND073356

PACKING RING

14 x 18 x 1,5

3шт.

Выбрано товаров: 46