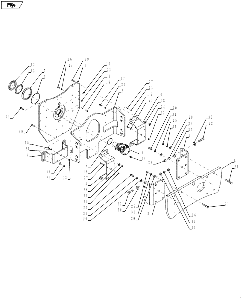
Запчасти Case SV212 (75.200.16) - VIBRATION DRIVE, SMOOTH / PAD FOOT DRUM - NARROW VERSION (VIB, ATC, HD ATC, LB HT ATC) - ASN NDNTC3515 (75) - SOIL PREPARATION

Схема запчастей Case SV212 - (75.200.16) - VIBRATION DRIVE, SMOOTH / PAD FOOT DRUM - NARROW VERSION (VIB, ATC, HD ATC, LB HT ATC) - ASN NDNTC3515 (75) - SOIL PREPARATION
23
23
21
2
16
20
28
19
29
30
31
30
3
15
27
23
11
23
3
25
28
27
1
27
31
17
31
27
29
18
7
23
5
22
4
9
24
14
32
27
15
4
26
19
12
31
15
8
28
19
21
27
13
30
4
30
29
25
10
6
22
home
24
24
26
20
32
FIT
1:1
100%

Артикул

Название

Примечание

Количество

1

84419859

MOUNTING PLATE

1шт.

2

84419861

BRACKET

1шт.

3

84419862

BRACKET

2шт.

4

84419863

BRACKET

3шт.

5

84419864

MOUNTING PLATE

1шт.

6

ND142147

MOTOR-PUMP

Hydraulic; See Figure 35.910.03 For Parts Breakdown

1шт.

6

47459568

WIRE HARNESS

, Serial Range: NCNTC3206-NENTC3713

1шт.

6

47898394

WIRE HARNESS

, Start Serial: NENTC3714

1шт.

7

ND029017

RING

1шт.

8

ND108233

O-RING

1шт.

9

ND108235

O-RING

1шт.

10

ND107208

BLEEDER

Valve

1шт.

11

ND073356

PACKING RING

3шт.

12

ND069123

NUT

1шт.

13

ND069141

WASHER

1шт.

14

ND118093

BOLT

2шт.

15

ND021312

BOLT

12шт.

16

ND021313

BOLT

12шт.

17

ND021315

BOLT

12шт.

18

ND024285

BOLT

3шт.

19

ND021228

BOLT

12шт.

20

ND021344

BOLT

2шт.

21

ND021249

BOLT

8шт.

22

ND021264

BOLT

8шт.

23

ND034086

NUT

36шт.

24

47713279

NUT

12шт.

25

ND021853

NUT

8шт.

26

ND021854

NUT

8шт.

27

ND029267

WASHER

48шт.

28

ND035827

WASHER

12шт.

29

84419906

WASHER

10шт.

30

84419908

WASHER

16шт.

31

ND035944

WASHER

Spring

10шт.

32

ND035946

SPRING WASHER

Spring

8шт.

Выбрано товаров: 34