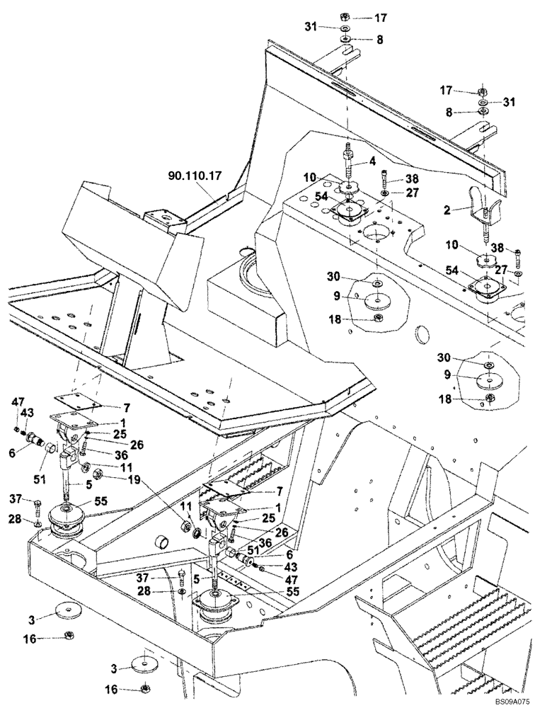
Запчасти Case SV212 (90.110.02) - PLATFORM MOUNTING (GROUP 170) (ND104276) (90) - PLATFORM, CAB, BODYWORK AND DECALS

Схема запчастей Case SV212 - (90.110.02) - PLATFORM MOUNTING (GROUP 170) (ND104276) (90) - PLATFORM, CAB, BODYWORK AND DECALS
7
4
5
28
16
1
27
3
10
38
31
47
25
28
7
6
25
37
3
8
37
27
9
90.110.17
18
54
11
5
16
51
11
43
55
8
1
30
19
30
36
38
6
17
1
17
51
31
55
26
2
54
43
8
47
10
26
36
FIT
1:1
100%

Артикул

Название

Примечание

Количество

REF

INSTRUCTION

PLATFORM MOUNTING (ND104276) (GROUP 170)

1шт.

1

ND103797

SUPPORT

2шт.

2

ND103139

SCREW

1шт.

3

ND049221

WASHER

2шт.

4

ND103138

BOLT

1шт.

5

ND104368

BRACKET

2шт.

6

ND103800

PIN

2шт.

7

ND049253

PLATE

2шт.

8

ND103181

WASHER

2шт.

9

ND103177

SPACER

2шт.

10

ND103178

SPACER

2шт.

11

ND104419

WASHER

ID 21

2шт.

16

ND027304

NUT

M16

2шт.

17

ND021862

NUT

M16

2шт.

18

ND027305

NUT

M20

2шт.

19

ND027306

NUT

2шт.

25

ND029266

WASHER

ID 10

8шт.

26

ND035941

WASHER

8шт.

27

ND035942

WASHER

ID 12

8шт.

28

ND029251

WASHER

ID 13

4шт.

30

ND029270

WASHER

ID 21

2шт.

31

ND035827

WASHER

2шт.

36

ND021302

BOLT

M10 x 25

8шт.

37

ND021309

BOLT,M12 x 25

M12 x 25

4шт.

38

ND024270

BOLT

M12 x 25

8шт.

43

ND070133

LUBE NIPPLE,M10 x 1

2шт.

47

ND064758

PLUG

2шт.

51

ND103402

BUSHING

2шт.

54

ND122385

RUBBER MOUNTING

2шт.

55

ND076109

RUBBER MOUNTING

2шт.

Выбрано товаров: 30