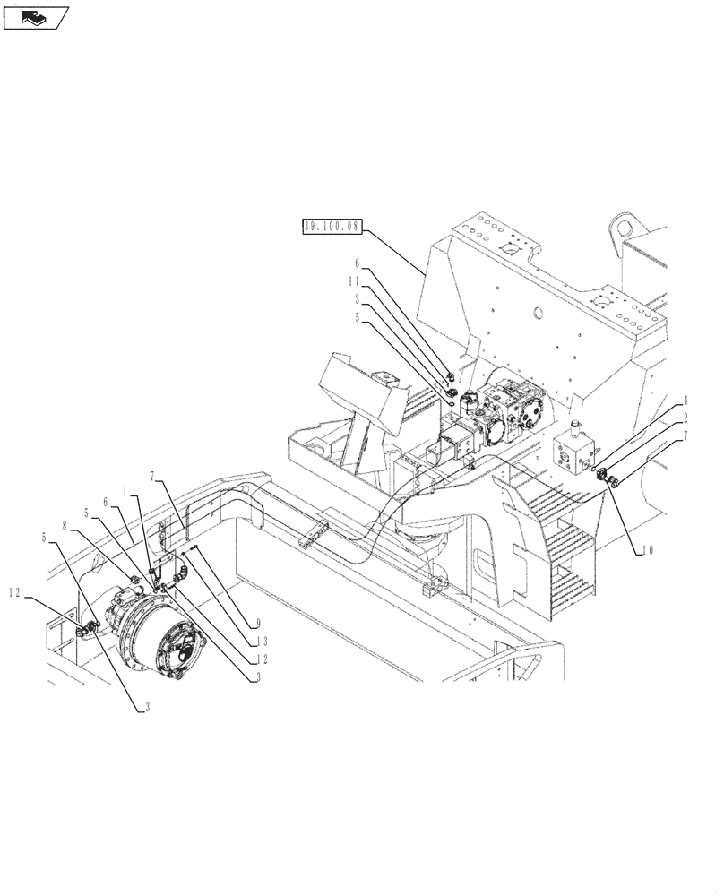
Запчасти Case SV212 (35.353.05[03]) - LINES, FRONT DRUM DRIVE - NARROW VERSION (35) - HYDRAULIC SYSTEMS

Схема запчастей Case SV212 - (35.353.05[03]) - LINES, FRONT DRUM DRIVE - NARROW VERSION (35) - HYDRAULIC SYSTEMS
5
13
3
5
9
1
7
home
12
4
6
12
6
3
11
10
2
39.100.08
7
5
3
8
FIT
1:1
100%

Артикул

Название

Примечание

Количество

1

84420234

HOLDER

1шт.

2

ND062007

CLAMP

Split Flange

2шт.

3

ND062008

HALF-COLLAR

Clamp

5шт.

4

ND079932

O-RING

1шт.

5

ND079933

O-RING

3шт.

6

ND061708

FLEXIBLE HOSE

, Serial Range: NBNTC3001-NDNTC3549

1шт.

6

ND133281

HOSE

, Start Serial: NDNTC3550

1шт.

7

84420241

HYDRAULIC HOSE

, Serial Range: NBNTC3001-NDNTC3549

1шт.

7

ND140467

HOSE

, Start Serial: NDNTC3550

1шт.

8

ND061999

CLAMP

1шт.

9

ND024233

BOLT

2шт.

10

ND024246

BOLT

4шт.

11

ND021303

BOLT

4шт.

12

ND021304

BOLT

8шт.

12

ND035941

WASHER

8шт.

13

ND029248

WASHER

2шт.

Выбрано товаров: 16