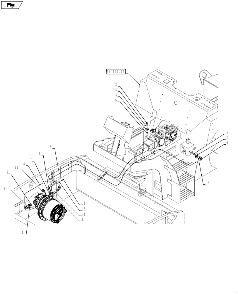
Запчасти Case SV212 (35.353.08[02]) - LINES, FRONT DRUM DRIVE - NARROW VERSION (PF LB HT ATC) (35) - HYDRAULIC SYSTEMS

Схема запчастей Case SV212 - (35.353.08[02]) - LINES, FRONT DRUM DRIVE - NARROW VERSION (PF LB HT ATC) (35) - HYDRAULIC SYSTEMS
7
8
14
9
10
home
7
5
15
3
4
14
1
6
8
11
39.100.01
13
2
4
12
9
FIT
1:1
100%

Артикул

Название

Примечание

Количество

1

84420263

HOLDER

1шт.

2

ND062007

CLAMP

Split Flange

2шт.

3

ND062008

HALF-COLLAR

2шт.

4

ND062009

FLANGE

Clamp

3шт.

5

ND079932

O-RING

1шт.

6

ND079933

O-RING

1шт.

7

ND079934

O-RING

2шт.

8

ND061507

FLEXIBLE HOSE

1шт.

8

84593622

HYDRAULIC HOSE

(HT), Serial Range: NBNTC3001-NBNTC3549

1шт.

8

ND133273

HOSE

(HT), Start Serial: NBNTC3550

1шт.

9

84420265

HYDRAULIC HOSE

1шт.

9

84420265

HYDRAULIC HOSE

(HT), Serial Range: NBNTC3001-NBNTC3549

1шт.

9

ND140466

HOSE

(HT), Start Serial: NBNTC3550

1шт.

10

ND061999

CLAMP

1шт.

11

ND024233

BOLT

2шт.

12

ND024246

BOLT

4шт.

13

ND021303

BOLT

4шт.

14

ND021208

BOLT

8шт.

14

ND034063

BOLT

(HT)

8шт.

14

ND035941

WASHER

8шт.

15

ND029248

WASHER

2шт.

Выбрано товаров: 21