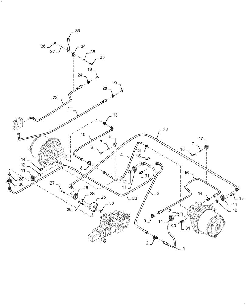
Запчасти Case SV212 (35.353.20[03]) - HYDRAULIC SYSTEM OF TRAVEL, DRUM - NARROW VERSION - BTW NBNTC2141 - NBNTC3080 (35) - HYDRAULIC SYSTEMS

Схема запчастей Case SV212 - (35.353.20[03]) - HYDRAULIC SYSTEM OF TRAVEL, DRUM - NARROW VERSION - BTW NBNTC2141 - NBNTC3080 (35) - HYDRAULIC SYSTEMS
36
19
12
15
25
16
31
28
26
11
19
11
3
34
23
21
12
24
18
17
31
12
5
38
12
2
22
33
11
14
10
27
35
15
32
20
37
28
7
26
6
29
30
13
9
7
13
4
11
1
14
8
FIT
1:1
100%

Артикул

Название

Примечание

Количество

1

ND133284

HOSE

1шт.

2

ND062335

TEE

1шт.

3

ND103077

HOSE

1шт.

4

ND124182

HYD TUBE

, Serial Range: -NBNTC3080

1шт.

4

84593616

HYD TUBE

, Start Serial: NBNTC3081

1шт.

5

ND064797

SLEEVE

2шт.

6

ND024231

BOLT

4шт.

7

ND029248

WASHER

6шт.

8

ND062294

TEE

1шт.

9

ND062247

HYD CONNECTOR

1шт.

10

ND124180

HYD TUBE

, Serial Range: -NBNTC3080

1шт.

10

84593613

HYD TUBE

, Start Serial: NBNTC3081

1шт.

11

ND062008

HALF-COLLAR

8шт.

11

ND024260

BOLT

Not Shown

16шт.

12

ND079933

O-RING

4шт.

13

ND062153

HYD CONNECTOR

2шт.

13

ND062425

90 ELBOW

Not Shown, Start Serial: NBNTC3081

2шт.

14

84420176

HYD CONNECTOR

, Serial Range: -NBNTC3080

2шт.

14

ND062181

HYD CONNECTOR

, Start Serial: NBNTC3081

2шт.

15

ND024260

BOLT

16шт.

16

84420169

HYD TUBE

, Serial Range: -NBNTC3080

1шт.

16

84593618

HYD TUBE

, Start Serial: NBNTC3081

1шт.

17

ND064799

CLAMP

1шт.

18

ND024233

BOLT

2шт.

19

ND073366

WASHER

2шт.

20

ND031345

HYD CONNECTOR

1шт.

21

ND061509

FLEXIBLE HOSE

, Serial Range: -NENTC3675

1шт.

21

47840203

HOSE

, Start Serial: NENTC3676

1шт.

22

84420218

HYDRAULIC HOSE

, Serial Range: NBNTC3001-NDNTC3549

1шт.

22

ND104855

HOSE

, Start Serial: NDNTC3550

1шт.

23

ND137826

HOSE

1шт.

24

ND138168

HYD CONNECTOR

1шт.

25

ND031247

BLOCK

1шт.

26

ND062007

CLAMP

4шт.

27

ND024246

BOLT

16шт.

28

ND079932

O-RING

2шт.

29

ND034062

BOLT

4шт.

30

ND079934

O-RING

1шт.

31

84420182

HYD CONNECTOR

, Serial Range: -NBNTC3080

2шт.

31

ND062128

HYD CONNECTOR

, Start Serial: NBNTC3081

2шт.

32

84420222

HYDRAULIC HOSE

, Serial Range: NBNTC3001-NDNTC3549

1шт.

32

ND104856

HOSE

, Start Serial: NDNTC3550

1шт.

33

47713415

BRACKET

, Start Serial: NBNTC3081

1шт.

34

ND141230

CLAMP

, Start Serial: NBNTC3081

1шт.

35

ND021302

BOLT

, Start Serial: NBNTC3081

1шт.

36

ND021849

NUT

, Start Serial: NBNTC3081

1шт.

37

ND035941

WASHER

, Start Serial: NBNTC3081

1шт.

38

ND029250

WASHER

, Start Serial: NBNTC3081

1шт.

Выбрано товаров: 0