Запчасти Case SV228 (10-009-00[01]) - HYDRAULIC CIRCUIT PRESSURE TEST POINT (07) - HYDRAULIC SYSTEM

Схема запчастей Case SV228 - (10-009-00[01]) - HYDRAULIC CIRCUIT PRESSURE TEST POINT (07) - HYDRAULIC SYSTEM
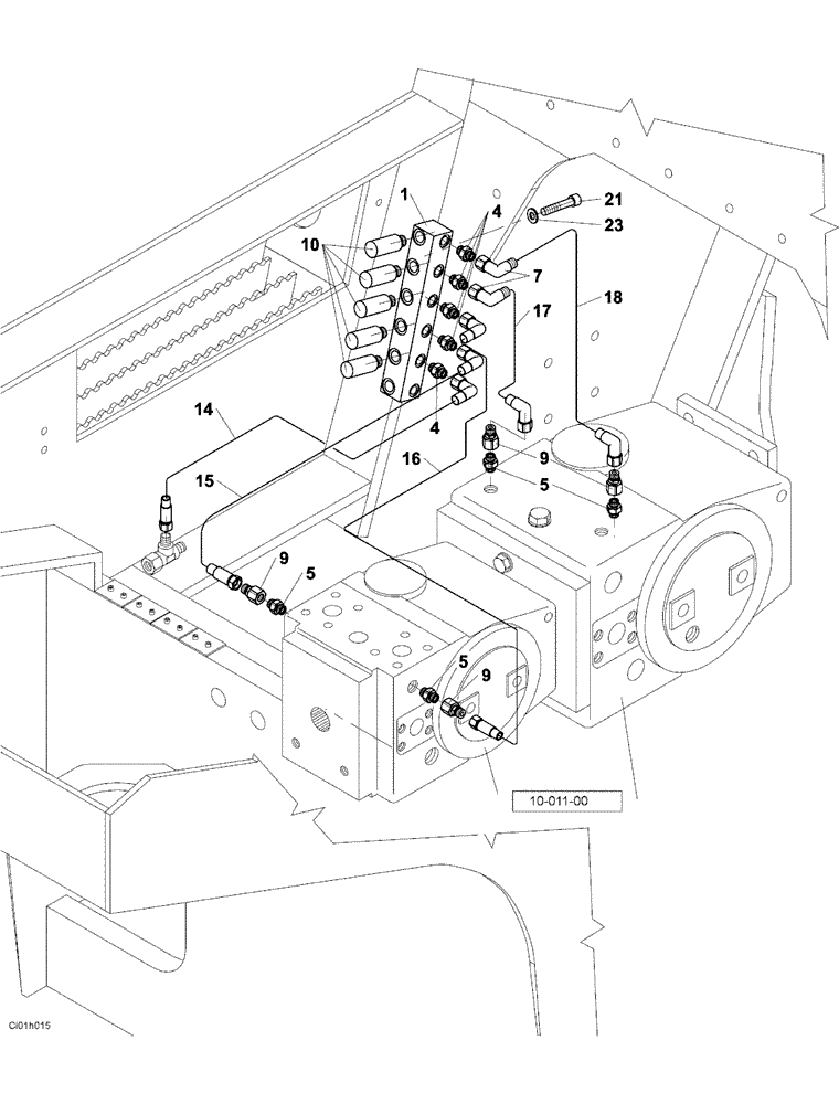
5
7
15
4
5
18
5
21
17
4
14
10
16
10-011-00
23
1
9
9
9
FIT
1:1
100%

Артикул

Название

Примечание

Количество

1

ND031315

BLOCK

1шт.

4

ND062197

HYD CONNECTOR

5шт.

5

ND062137

HYD CONNECTOR

4шт.

7

ND062304

90 ELBOW

2шт.

9

ND062431

HYD CONNECTOR

4шт.

10

ND062258

HYD CONNECTOR

5шт.

14

ND061908

HOSE

1шт.

15

ND061909

HOSE

1шт.

16

ND061929

HOSE

1шт.

17

ND061928

HOSE

1шт.

18

ND061930

HOSE

1шт.

21

ND021184

BOLT

2шт.

23

ND035940

SPRING WASHER

2шт.

Выбрано товаров: 13