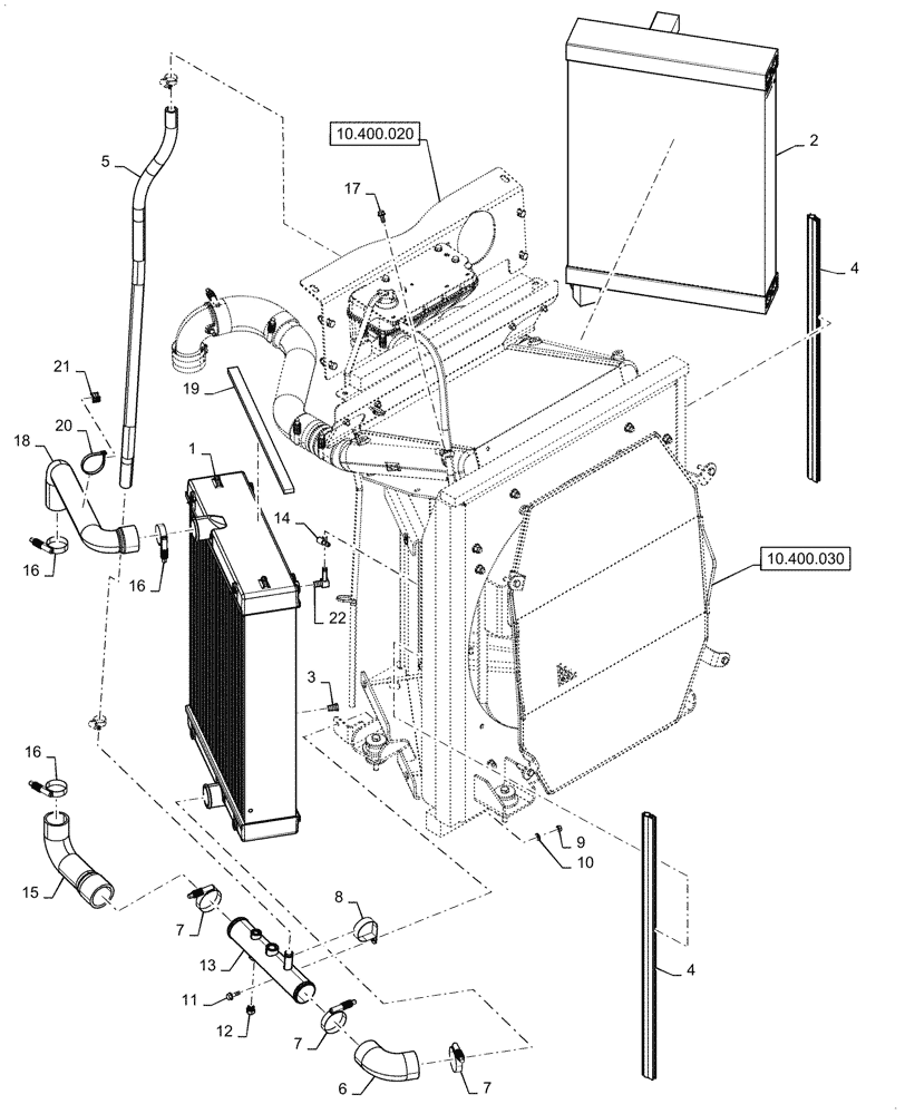
Запчасти Case 2050M LGP PAT (10.400.030) - COOLANT EXPANSION RESERVOIR (10) - ENGINE

Схема запчастей Case 2050M LGP PAT - (10.400.030) - COOLANT EXPANSION RESERVOIR (10) - ENGINE
11
2
10
4
9
14
8
7
17
6
19
15
16
22
18
13
21
10.400.030
10.400.020
7
1
16
3
4
20
12
16
5
7
FIT
1:1
100%

Артикул

Название

Примечание

Количество

1

84262310

RADIATOR

1шт.

2

84376175

COOLER ASSY.

1шт.

3

217-86

PLUG,Hex Hd, 1/4"-18, Brass

1шт.

4

84540657

RUBBER WEATHERSTRIP,17mm W x 790mm L x 35mm H

2шт.

5

47608923

HOSE WASHER

1шт.

6

84487901

HOSE

1шт.

7

L115548

CLAMP,57.15mm - 79.38mm

3шт.

8

87573379

CLAMP,57.1mm, Coat, 13.5mm Bolt Hole, P Type

1шт.

9

87655042

SPECIAL WASHER,8.8mm ID x 17.5mm OD x 2.2mm Thk

1шт.

10

825-1408

NUT,M8, Cl 8

1шт.

11

9671714

FLANGE BOLT,Hex, M8 x 1.25 x 25mm, Cl 8.8

1шт.

12

76349

PLUG,9/16" - 18 ORB

1шт.

13

84540650

TUBE

1шт.

14

574518

HOSE CLAMP,6.3mm - 15.7mm, SAE # 4

6шт.

15

84487403

HOSE

1шт.

16

254026A1

HOSE CLAMP,44.45mm - 66.67mm

2шт.

17

845-8020

BOLT,Hvy Hex, M8 x 20mm, Cl 8.8

1шт.

18

84487900

HOSE

1шт.

19

84382952

SEALING STRIP,25mm W x 540mm L x 12mm Thk

1шт.

20

14568387

HOSE CLIP

1шт.

21

86982400

SPACER

1шт.

22

217-132

90 ELBOW,90 Degree Elbow, 3/8" Hose Barb x 1/4" Male NPTF

1шт.

Выбрано товаров: 22