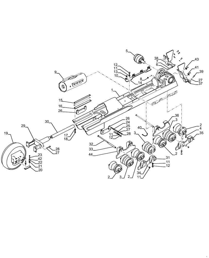
Запчасти Case 2050M LT (48.138.AB[04]) - UNDERCARRIAGE FRAME LT (48) - TRACKS & TRACK SUSPENSION

Схема запчастей Case 2050M LT - (48.138.AB[04]) - UNDERCARRIAGE FRAME LT (48) - TRACKS & TRACK SUSPENSION
13
6
3
2
12
10
11
27
19
20
11
29
34
14
36
26
28
2
3
22
24
12
7
17
44
9
33
2
41
16
12
43
2
5
38
26
1
23
15
28
35
4
39
3
11
21
27
18
37
25
8
32
11
42
40
27
30
31
FIT
1:1
100%

Артикул

Название

Примечание

Количество

1

47547586

FRAME

RH

1шт.

1

47547584

FRAME

LH

1шт.

2

84312217

ROLLER,240mm OD x 228mm W

Single Flange

5шт.

3

84312213

TRACK ROLLER

Double Flange

3шт.

4

47558111

SCREW

12 PT M20 x 2.5 x 70

32шт.

5

84312295

TRACK ROLLER

Carrier

1шт.

6

87563152

WASHER,17mm ID x 26.5mm OD x 4mm Thk

17 x 26.5 x 4 mm

4шт.

7

827-16120

BOLT,Hex, M16 x 2 x 120mm, Cl 10.9

2шт.

8

86512555

NUT,M16 x 2, Cl 10

2шт.

9

47623056

HOUSING

Recoil

1шт.

10

84342001

BRACKET

Recoil Housing

2шт.

11

87655047

SPECIAL WASHER,21.25mm ID x 38.10mm OD x 4.20mm Thk

20шт.

12

87563127

BOLT,Hex, M20 x 50mm, Cl 10.9

M20 x 50 Full 10.9 ZND

14шт.

13

405737A2

SQUARE NUT,M16 x 26mm x 26mm x 16mm H ZND CL 5A

M16 x 2

8шт.

14

336371A1

PIN,4.88mm OD x 14.23mm L

Nut Retainer

8шт.

15

84534383

SHIM,40mm OD x 0.76mm Thk

Idler Wheel Wear Plate

1шт.

16

84367384

BAR

Idler Wheel

2шт.

17

87713133

SPECIAL WASHER

17.75 x 31.5 x 4.2 HTS Boron

6шт.

18

87612751

BOLT,Hex, M16 x 40mm, Cl 8.8

M16 x 40 8.8 ZND

2шт.

19

84321064

IDLER,718mm OD x 189mm W

Wheel

1шт.

20

47597067

BAR

Idler Wheel

2шт.

21

188866A1

SHOCK ABSORBER

Idler Support

4шт.

22

R33245

SPRING SEAT

4шт.

23

1043659

BOLT,Hex, M10 x 75mm, Cl 8.8, Full Thd

4шт.

24

47551974

SHIM

Round, Front Idler Guide

1шт.

25

47551976

SHIM

Front Idler Guide

1шт.

26

47550317

PLATE

Idler Thrust

2шт.

27

87655044

SPECIAL WASHER,17.75mm ID x 31.50mm OD x 4.20mm, HTS Boron, ZNM

M16 17.75 x 31.5 x 4.2 HTS Boron

10шт.

28

47552134

BOLT,Hex, M16 x 50mm, Cl 10.9

M16 x 50 10.9 ZND

8шт.

29

47581144

YOKE

Track Adjuster

1шт.

30

84325384

TUBE

Track, Tube

1шт.

31

47637386

GUARD

Track Center RH

2шт.

32

1570099

BOLT,Hex, M20 x 360mm, Cl 8.8

Hex, M20 x 360 x 8.8 ZND

3шт.

33

47547902

SPACER,25.3mm ID x 30mm OD x 274mm L

Rockguard

3шт.

34

412180

NUT,M20 x 2.5, Cl 8

3шт.

35

47637392

GUARD

LH

1шт.

36

47637390

GUARD

RH

1шт.

37

47598032

GUARD

LH

1шт.

38

47598034

GUARD

RH

1шт.

39

87563128

LOCK BOLT,Hex, M16 x 2 x 35mm, Cl 8.8, Full Thd

6шт.

40

84563169

HOSE ASSY.,6.35mm ID x 290mm L, SAE 100R7

Grease Pivot Shaft

1шт.

41

895-30103

WASHER,M16 x 56 x 5

2шт.

42

9706685

NUT,M12 x 1.75, Cl 8

4шт.

43

86592702

WASHER,17mm ID x 45mm OD x 6mm Thk

2шт.

44

47637383

GUARD

Track Center LH

1шт.

Выбрано товаров: 0