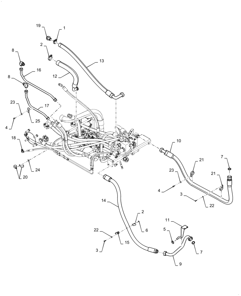
Запчасти Case 2050M LT (29.218.AO[01]) - HYDROSTATIC TRANSMISSION (29) - HYDROSTATIC DRIVE

Схема запчастей Case 2050M LT - (29.218.AO[01]) - HYDROSTATIC TRANSMISSION (29) - HYDROSTATIC DRIVE
7
2
2
10
13
15
23
4
12
24
22
21
8
5
23
9
8
1
20
14
4
21
25
18
6
11
3
3
19
16
17
7
22
FIT
1:1
100%

Артикул

Название

Примечание

Количество

1

214-2130

CLAMP,#30, 1.81"-2.06", T-Bolt

1шт.

2

214-2148

CLAMP,#48, 2.37"-2.68", T-Bolt

1шт.

3

43127

BOLT,Hex, M8 x 1.25 x 25mm, Cl 8.8

2шт.

4

43139

BOLT,M10 x 1.5 x 25mm, Cl 8.8

3шт.

5

84674

HOSE CLAMP,33.3mm - 57.1mm, Worm Gear

1шт.

6

437013

NUT

1шт.

7

47720000

SEAL

2шт.

8

9846955

90 ELBOW,1-7/16"-12 ORFS x 1-5/16"-12 ORB

2шт.

9

47390274

TUBE

Manifold to Cooler

1шт.

10

47395555

HYDRAULIC HOSE,38mm ID x 2162mm L, SAE 100R4

Cooler to Manifold

1шт.

11

47395616

BRACKET

Tube Support

1шт.

12

47480703

HOSE,50.8mm ID x 735mm L, SAE 100R4

Charge Suction

1шт.

13

47512131

HOSE,38.1mm ID x 1315mm L, SAE 100R4

Manifold to Tank

1шт.

14

47512132

HOSE,38.1mm ID x 1425mm L, SAE 100R4

Manifold to Cooler

1шт.

15

47634777

CLAMP

Closed 50.8mm

1шт.

16

84485209

HYD TUBE

Filter to Pump

1шт.

17

84485212

HYD TUBE

Pump FE to Filter

1шт.

18

84989392

ELBOW,90 Degree, 11/16"-16 ORFS x 11/16"-16 Fem Sw

2шт.

19

86634098

FITTING,1 1/2" Hose x 1 7/8"-12 ORB, Beaded

1шт.

20

86639006

CLAMP,38.1mm, Coat, 13.5mm Bolt Hole, P Type

2шт.

21

87573379

CLAMP,57.1mm, Coat, 13.5mm Bolt Hole, P Type

2шт.

22

87655042

SPECIAL WASHER,8.8mm ID x 17.5mm OD x 2.2mm Thk

3шт.

23

87655046

SPECIAL WASHER,10.65mm ID x 23mm OD x 2.2mm Thk

2шт.

24

87687101

WASHER,10.65mm ID x 31mm OD x 3.3mm Thk

1шт.

25

D40236

CLAMP

1шт.

Выбрано товаров: 25