Запчасти Case 2050M LT (35.102.AE[04]) - CONTROL VALVE - 4 SP W/OUT PLUGS (35) - HYDRAULIC SYSTEMS

Схема запчастей Case 2050M LT - (35.102.AE[04]) - CONTROL VALVE - 4 SP W/OUT PLUGS (35) - HYDRAULIC SYSTEMS
35.359.ag
4
3
8
7
2
5
5
home
7
6
1
FIT
1:1
100%

Артикул

Название

Примечание

Количество

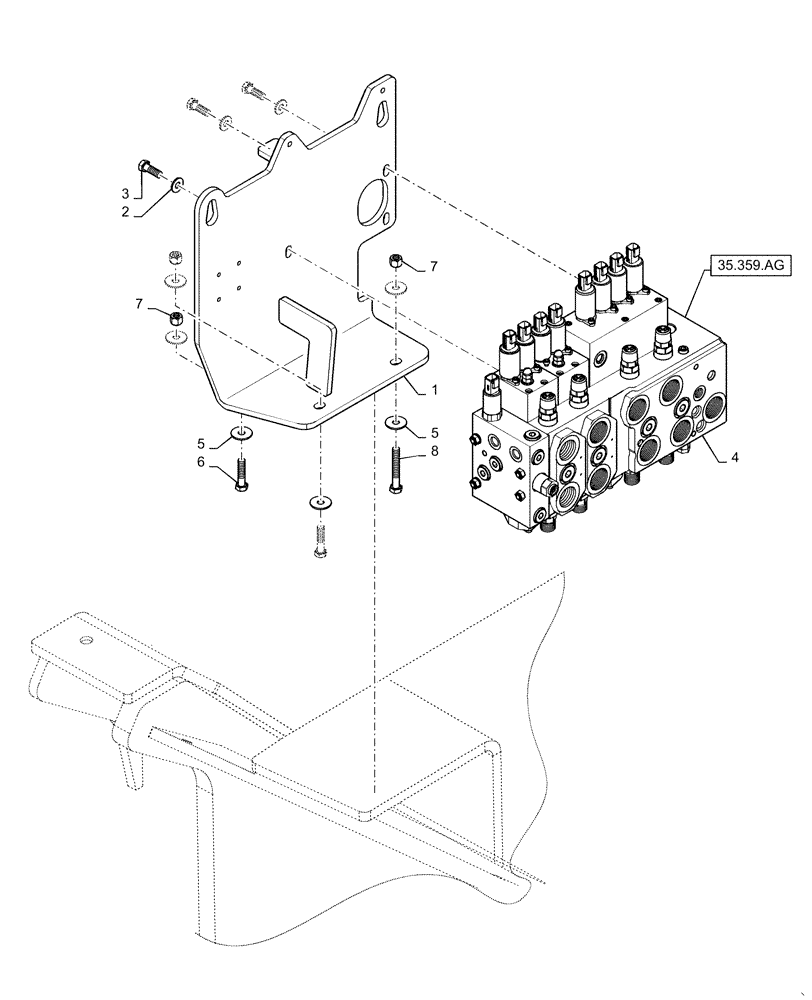
1

84359143

BRACKET

W/ Valve Mount

1шт.

2

87655046

SPECIAL WASHER,10.65mm ID x 23mm OD x 2.2mm Thk

M10, 10.65 x 23.0 x 2.2

3шт.

3

627-10030

BOLT,Hex, M10 x 1.5 x 30mm, Cl 10.9, Full Thd

3шт.

4

84322839

VALVE

4 Spool, Control Assy

1шт.

5

87687101

WASHER,10.65mm ID x 31mm OD x 3.3mm Thk

6шт.

6

814-10045

BOLT,Hex, M10 x 1.5 x 45mm, Cl 8.8

2шт.

7

832-10410

NUT,M10 x 1.5, Cl 8

3шт.

8

538885

BOLT,Hex, M10 x 1.5 x 90mm, Cl 8.8, Full Thd

1шт.

Выбрано товаров: 8