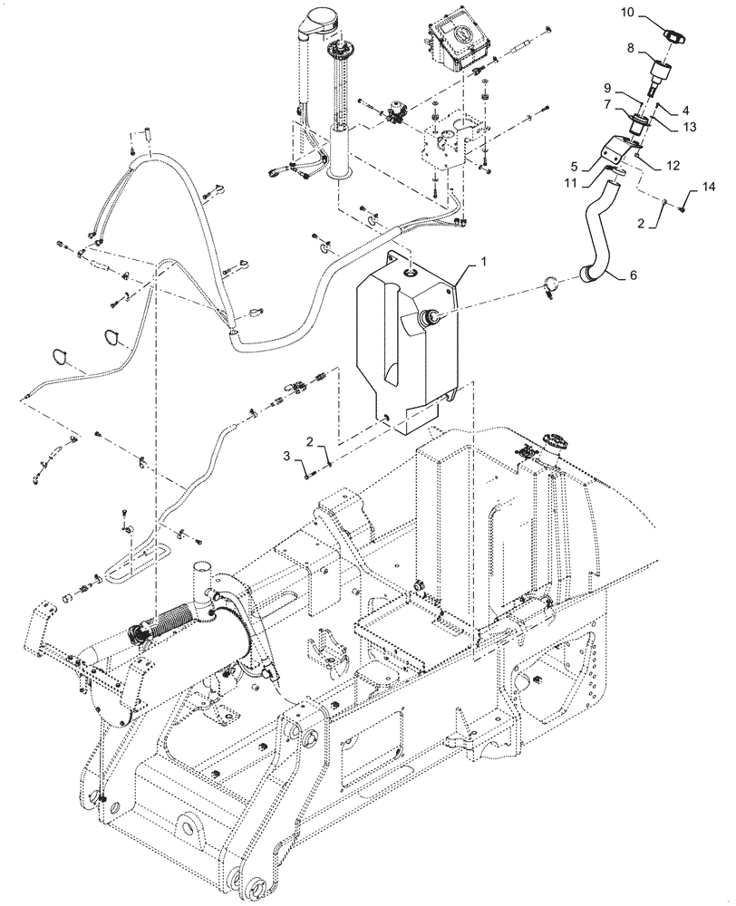
Запчасти Case 2050M LT PAT (10.500.020) - DEF TANK, NECK FILLER, CONTROL UNIT (10) - ENGINE

Схема запчастей Case 2050M LT PAT - (10.500.020) - DEF TANK, NECK FILLER, CONTROL UNIT (10) - ENGINE
5
7
12
6
10
3
13
2
14
2
4
8
9
1
11
FIT
1:1
100%

Артикул

Название

Примечание

Количество

1

47672724

EXHAUST FLUID TANK

Assy, 62L (16 Gal)

1шт.

2

87655046

SPECIAL WASHER,10.65mm ID x 23mm OD x 2.2mm Thk

6шт.

3

412151

BOLT,M10 x 1.5 x 61.58mm, Cl 8.8

4шт.

4

614-6020

BOLT,Hex, M6 x 1 x 20mm, Cl 8.8, Full Thd

3шт.

5

84574719

BRACKET

Filler Neck Mount

1шт.

6

84574721

HOSE

Filler Neck to DEF Tank

1шт.

7

84315307

FILLER

RIng, Lower

1шт.

8

87483158

NECK FILLER

Ring, Upper

1шт.

9

84246766

HEX SOC SCREW,M4 x 12mm, SST

4шт.

10

84206552

FILLER CAP,Male

1шт.

11

L115548

CLAMP,57.15mm - 79.38mm

2шт.

12

393392

LOCK NUT,Prev Torque, M6 x 1, Cl 8

3шт.

13

495-11028

WASHER,1/4", SAE

3шт.

14

9515003

BOLT,Hex, M10 x 1.5 x 30mm, Cl 10.9

2шт.

Выбрано товаров: 14