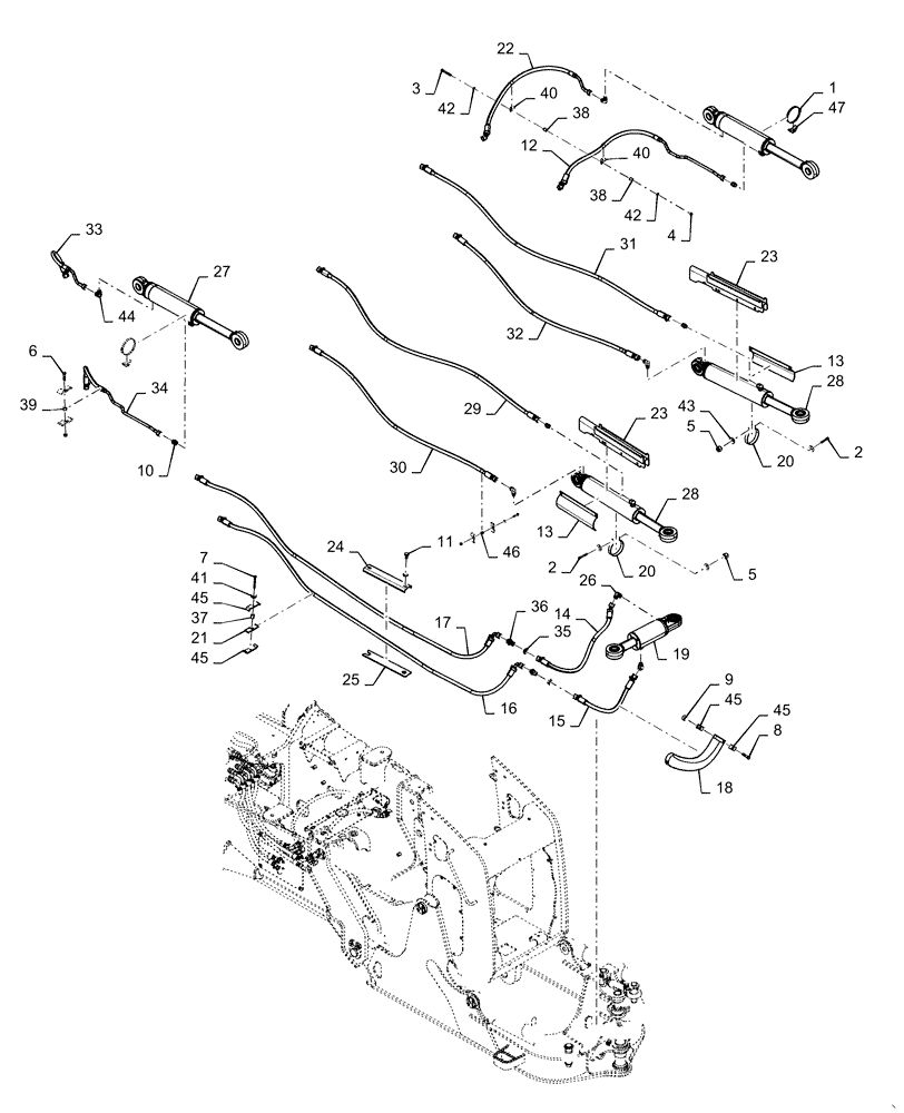
Запчасти Case 2050M WT/LGP (35.741.AJ[02]) - LIFT CYLINDER (PAT) XLT/LGP (35) - HYDRAULIC SYSTEMS

Схема запчастей Case 2050M WT/LGP - (35.741.AJ[02]) - LIFT CYLINDER (PAT) XLT/LGP (35) - HYDRAULIC SYSTEMS
27
42
15
41
9
23
11
38
38
44
36
46
20
17
42
30
16
24
32
45
39
4
2
6
40
28
13
14
40
47
43
45
33
23
34
35
31
7
19
45
2
18
28
8
29
26
1
45
12
10
20
21
5
22
25
13
37
3
5
FIT
1:1
100%

Артикул

Название

Примечание

Количество

1

214-1496

HOSE CLAMP,#96, 5.56" - 6.5", Type F Worm

4шт.

2

814-10080

BOLT,Hex, M10 x 1.5 x 80mm, Cl 8.8

4шт.

3

814-12100

BOLT,Hex, M12 x 1.75 x 100mm, Cl 8.8

1шт.

4

825-1412

NUT,M12, Cl 8

1шт.

5

832-10410

NUT,M10 x 1.5, Cl 8

4шт.

6

43130

BOLT,Hex, M8 x 1.25 x 50mm, Cl 8.8

1шт.

7

43133

BOLT,Hex, M8 x 1.25 x 80mm, Cl 8.8

1шт.

8

325829

BOLT,Hex, M10 x 1.5 x 45mm, Cl 8.8

5шт.

9

412141

NUT,M10 x 1.5, Cl 8

5шт.

10

9840534

HYD CONNECTOR,1-3/16" - 12 ORFS x 7/8" - 14 ORB

4шт.

11

9861444

BOLT,Hex, M10 x 1.5 x 20mm, Cl 10.9

2шт.

12

47373873

TUBE

Lift Rod End LH

1шт.

13

47444465

GUARD

Side Angle

2шт.

14

47445362

HOSE,19.05mm ID x 763.3mm L, SAE 100R16

Tilt A Blue Tie

1шт.

15

47445363

HOSE,19.05mm ID x 1076.7mm L, SAE 100R16

Tilt A Green Tie

1шт.

16

47445407

HOSE,19.05mm ID x 3383mm L, SAE 100R16

Tilt Cylinder Head End Green Tie

1шт.

17

47445408

HOSE,19.05mm ID x 3436mm L, SAE 100R16

Tilt Cylinder Head End Blue Tie

1шт.

18

47446164

SLEEVE,68mm ID x 738mm L

Protective

1шт.

19

47446374

HYDRAULIC CYLINDER,Double Acting, 63.5mm Rod, 148.4mm Stroke

127mm x 63.5mm

1шт.

19

47446374R

REMAN-HYD CYLINDER

1шт.

19

47446374C

CORE-HYD CYLINDER

Return Number

1шт.

20

47461431

CLAMP,135mm

Guard

4шт.

21

47496506

PLATE

Spacer

2шт.

22

47519692

HYDRAULIC HOSE

Lift Tube End LH

1шт.

23

47531943

GUARD

Angle Cylinder Hose

2шт.

24

47549209

GUARD

Tilt Lines

1шт.

25

47549213

GUARD

Tilt Lines Lower

1шт.

26

84401339

45 ELBOW

3/4 ORFS - ORB 5/8

1шт.

27

84402335

LIFT CYLINDER,Double Acting, 63.5mm Rod, 428.8mm Stroke

114.3mm x 63.5mm

2шт.

27

84402335R

REMAN-HYD CYLINDER

114.3mm x 63.5mm

2шт.

27

84402335C

CORE-HYD CYLINDER

Return Number

2шт.

28

84402336

HYDRAULIC CYLINDER,Double Acting, 63.5mm Rod, 502.7mm Stroke

Angle 114.3mm x 63.5mm

2шт.

28

84402336R

REMAN-HYD CYLINDER

Angle 114.3mm x 63.5mm

2шт.

28

84402336C

CORE-HYD CYLINDER

Return Number

2шт.

29

84539542

HYDRAULIC HOSE,19.05mm ID x 2740mm L, SAE 100R16

Angle Rod End RH

1шт.

30

84539543

HYDRAULIC HOSE,19.05mm ID x 2290mm L, SAE 100R16

Angle Cylinder RH

1шт.

31

84539544

HYDRAULIC HOSE,19.05mm ID x 2860mm L, SAE 100R16

Angle Rod End LH

1шт.

32

84539545

HYDRAULIC HOSE,19.05mm ID x 2125mm L, SAE 100R16

Angle Cylinder LH

1шт.

33

84543174

HYD TUBE

Lift End RH

1шт.

34

84543175

HYD TUBE

Lift Rod End RH

1шт.

35

86639062

BHD LOCK NUT,1-3/16"-12 ORFS, Bulkhead

2шт.

36

86639064

UNION,1-3/16"-12 ORFS, Bulkhead

2шт.

37

87036413

SPACER,10.34mm ID x 15.88mm OD x 23.8mm L

3шт.

38

87302880

SPACER,13.5mm ID x 19mm OD x 30.2mm L

3/4 Tube 1.188"

2шт.

39

87311354

SPACER,10.7mm ID x 17.1mm OD x 14.2mm L

3/8 x Pipe .562"

2шт.

40

87547970

CLAMP,28.6mm, Coat, 13.5mm Bolt Hole, P Type

28.6mm M12 Bolt

2шт.

41

87655042

SPECIAL WASHER,8.8mm ID x 17.5mm OD x 2.2mm Thk

2шт.

42

87655043

WASHER,M12, 13.65mm ID x 24.90mm OD x 3.20mm, HT Boron, ZNM

13.65mm x 24.9mm x 3.2mm

2шт.

43

87655046

SPECIAL WASHER,10.65mm ID x 23mm OD x 2.2mm Thk

10шт.

44

87656136

HYD CONNECTOR

90° Elbow 3/4 ORFS - ORB 5/8

5шт.

45

434130A1

HOSE CLAMP

10шт.

46

436110A1

SPACER

2шт.

47

D142787

SPACER

Saddle

4шт.

Выбрано товаров: 53