Запчасти Case 2050M XLT (55.680.AA[04]) - BLADE GUIDE, LEICA READY (55) - ELECTRICAL SYSTEMS

Схема запчастей Case 2050M XLT - (55.680.AA[04]) - BLADE GUIDE, LEICA READY (55) - ELECTRICAL SYSTEMS
12
1
5
home
7
2
4
11
14
13
10
6
9
8
3
FIT
1:1
100%

Артикул

Название

Примечание

Количество

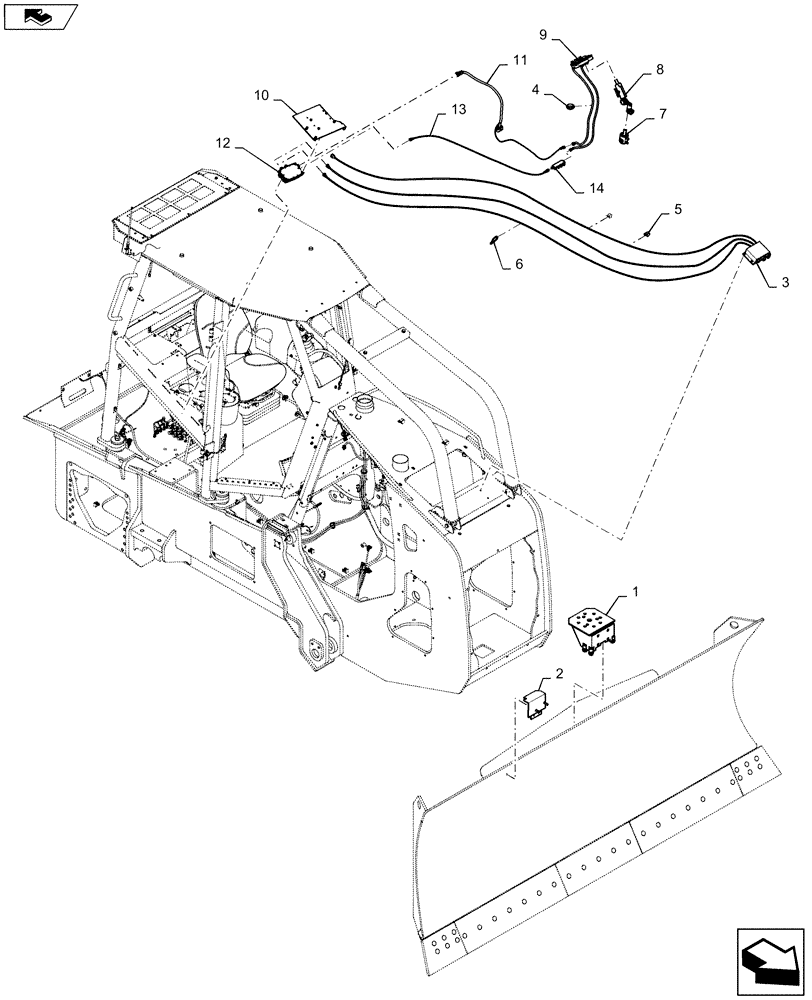
1

47408769

BRACKET

Leica DZ Mast Bracket

1шт.

2

47408804

BRACKET

Leica DZ Slope Sensor Bracket

1шт.

3

47408811

WIRE HARNESS

Leica DZ Quick Connect Harness

1шт.

4

87423314

GROMMET,1.5" ID x 2.125" ID x 0.562" Thk

Oil Cooler Grommet

2шт.

5

87035382

CLAMP,30.2mm, Coat, 10.3mm Bolt Hole, P Type

2шт.

6

L11541

CABLE TIE,203.2mm L, Nylon

10шт.

7

47408806

BRACKET

Leica DZ Display Post Bracket

1шт.

8

47408796

BRACKET

Leica DZ Display Arm Bracket

1шт.

9

47466115

MODULE

Leica Cradle Module

1шт.

10

47424058

BRACKET

Leica DZ Controller Bracket

1шт.

11

47408808

WIRE HARNESS

Leica DZ Interface Harness

1шт.

12

47466116

MODULE

Leica Junction Box Module

1шт.

13

47422845

WIRE HARNESS

Leica 1M Display Harness

1шт.

14

47481723

ELEC CONNECTOR

Leica Can Splitter Electronic Connector

1шт.

Выбрано товаров: 14