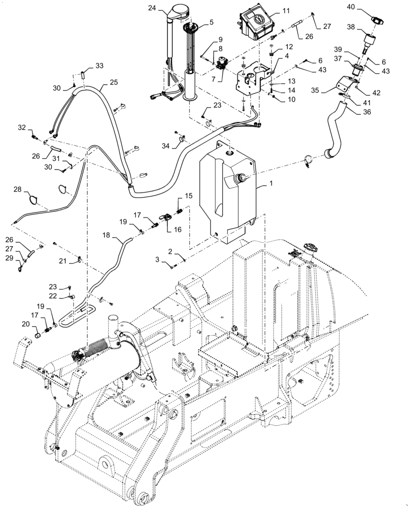
Запчасти Case 2050M XLT (10.500.AA[01]) - DEF TANK (10) - ENGINE

Схема запчастей Case 2050M XLT - (10.500.AA[01]) - DEF TANK (10) - ENGINE
25
16
28
39
32
15
18
6
36
12
17
31
34
23
5
27
42
7
9
22
10
17
29
30
1
23
40
43
37
41
3
26
2
20
35
43
26
13
21
27
4
38
14
19
33
11
8
24
26
19
30
6
FIT
1:1
100%

Артикул

Название

Примечание

Количество

1

47672724

EXHAUST FLUID TANK

1шт.

2

87655046

SPECIAL WASHER,10.65mm ID x 23mm OD x 2.2mm Thk

4шт.

3

412151

BOLT,M10 x 1.5 x 61.58mm, Cl 8.8

4шт.

4

84395621

BRACKET

1шт.

5

47512698

SENSOR

1шт.

5

47512698R

REMAN-ELECT GAUGE

DEF/Adblue

1шт.

5

47512698C

CORE GAUGE ELECT

Return Number

1шт.

6

614-6020

BOLT,Hex, M6 x 1 x 20mm, Cl 8.8, Full Thd

3шт.

7

84151635

HEATER VALVE

1шт.

8

87655042

SPECIAL WASHER,8.8mm ID x 17.5mm OD x 2.2mm Thk

6шт.

9

120062

BOLT,Hex, M8 x 70mm, Cl 8.8

3шт.

10

9706690

NUT,M8 x 1.25, Cl 8

3шт.

11

47364111

ECU

For Module Filter See Callout 45

1шт.

12

434177A1

ISOLATOR

4шт.

13

87528983

WASHER,8.4mm ID x 25mm OD x 2mm Thk

8шт.

14

412479

BOLT,Hex, M8 x 1.25 x 35mm, Cl 8.8

4шт.

15

47735815

NIPPLE,1/2 STR NPTF TO M18X1.5

1шт.

16

84422753

SHUT-OFF VALVE,1/2" NPT x 1/2" NPT

1шт.

17

84422999

FITTING,M12, 1/2 - 14, 66mm L, SS

2шт.

18

47508268

HOSE,12.7mm ID x 1776mm L, SAE 20R3

1шт.

19

87487830

CLAMP,0.81" - 1.75"

2шт.

20

84423014

CAP,1/2" - 14

1шт.

21

87530629

CLAMP,20.6mm, Coat, 11.9mm Bolt Hole, P Type

2шт.

22

87032428

CLAMP,22.2mm, Coat, 10.3mm Bolt Hole, J Type

1шт.

23

43138

BOLT,Hex, M10 x 1.5 x 20mm, Cl 8.8

5шт.

24

84387525

HOSE ASSY.

For In Line Filter See Callout 44

1шт.

25

84465538

HOSE ASSY.

1шт.

26

84527816

HOSE,9.5mm ID x 100mm L

3шт.

27

214-1706

HOSE CLAMP,#06, 0.44" - 0.78", Type M Worm

6шт.

28

86566990

CABLE TIE,292mm OAL x 4.8mm W

2шт.

29

86625228

HYD CONNECTOR,90°, 3/8" Hose x 9/16-18

1шт.

30

43140

BOLT,Hex, M10 x 1.5 x 30mm, Cl 8.8

5шт.

31

515-23143

CLAMP,9/16", Insul, 3/8" Bolt

1шт.

32

217-380

FITTING,3/8" Hose Barb x 3/8" Male NPTF

1шт.

33

87573373

CLAMP,33.3mm, Coat, 10.3mm Bolt Hole, P Type

4шт.

34

87301688

CLAMP,41.2mm, Coat, P Type

2шт.

35

84574719

BRACKET

1шт.

36

84574721

HOSE

1шт.

37

84315307

FILLER

1шт.

38

87483158

NECK FILLER

1шт.

39

84246766

HEX SOC SCREW,M4 x 12mm, SST

4шт.

40

84206552

FILLER CAP,Male

1шт.

41

L115548

CLAMP,57.15mm - 79.38mm

2шт.

42

393392

LOCK NUT,Prev Torque, M6 x 1, Cl 8

3шт.

43

495-11028

WASHER,1/4", SAE

3шт.

44

84153651

FILTER SCREEN

100 Micron Tank to Supply Module

1шт.

45

84254852

FILTER

10 Micron Supply Module

1шт.

Выбрано товаров: 47