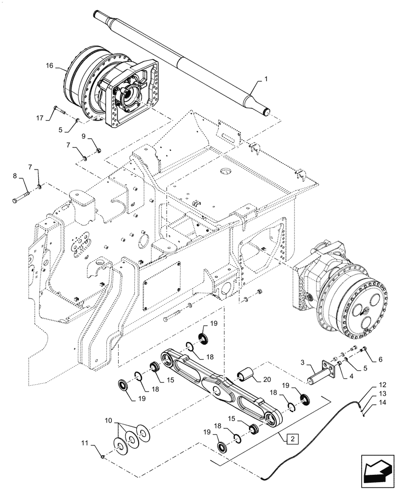
Запчасти Case 2050M XLT BD (48.110.010) - SUSPENSION, NARROW, GAUGE (48) - TRACKS & TRACK SUSPENSION

Схема запчастей Case 2050M XLT BD - (48.110.010) - SUSPENSION, NARROW, GAUGE (48) - TRACKS & TRACK SUSPENSION
11
5
13
6
3
19
19
19
15
7
1
14
15
9
19
2
18
20
17
18
7
5
18
18
8
12
16
4
10
FIT
1:1
100%

Артикул

Название

Примечание

Количество

1

47888947

SHAFT

Pivot, 76 Gauge

1шт.

2

47763793

BEAM

Equalizer, 76 Gauge, CE Gray, Incl 15, 18 - 20

1шт.

3

47721224

PIN

Center, Equalizer Beam

1шт.

4

87652972

BUSHING,20.6mm ID x 31.7mm OD 20.6mm H

Center Pin Mouting

2шт.

5

87655047

SPECIAL WASHER,21.25mm ID x 38.10mm OD x 4.20mm Thk

46шт.

6

87563127

BOLT,Hex, M20 x 50mm, Cl 10.9

2шт.

7

87016608

WASHER,25.8mm ID x 44.5mm OD x 5mm Thk

8шт.

8

47567994

BOLT,Hex, M24 x 180mm, Cl 10.9

4шт.

9

829-1424

NUT,M24, Cl 10

4шт.

10

47798377

SPACER,70.4mm ID x 178mm OD x 3mm Thk

1шт.

10

47798378

SPACER,70.4mm ID x 178mm OD x 5mm Thk

1шт.

10

47798379

SPACER,70.4mm ID x 178mm OD x 10mm Thk

1шт.

11

217-1014

ELBOW,1/8" - 27 Female x 1/8" - 27 Male

1шт.

12

47948448

HYDRAULIC HOSE,1430mm L

Grease Service

1шт.

13

76085536

NUT,1/8-27 NPSM

1шт.

14

219-1

LUBE NIPPLE,1/8" - 27 NPTF

1шт.

15

76041311

SPHERICAL BEARING,60mm ID x 90mm OD x 44mm W

2шт.

16

47887689

FINAL DRIVE

Assy, Narrow Gauge, CE Gray, LT, XLT

2шт.

17

87015929

BOLT,Hex, M20 x 120mm, Cl 10.9

Final Drive Mounting

44шт.

18

11062476

SNAP RING,M90, Int

4шт.

19

47699773

SEALING RING,57mm ID x 111mm OD x 14mm H

Equalizer Bearing

4шт.

20

47705693

BUSHING,70mm ID x 90mm OD x 125mm L

1шт.

Выбрано товаров: 22