Запчасти Case 2050M XLT PAT (55.991.020) - VAR - 784609 - TELEMATIC SYSTEM LEICA READY (55) - ELECTRICAL SYSTEMS

Схема запчастей Case 2050M XLT PAT - (55.991.020) - VAR - 784609 - TELEMATIC SYSTEM LEICA READY (55) - ELECTRICAL SYSTEMS
11
9
7
8
13
4
3
10
2
14
6
1
12
6
5
FIT
1:1
100%

Артикул

Название

Примечание

Количество

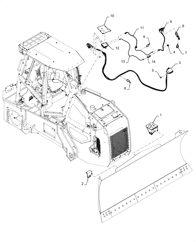
1

47408769

BRACKET

Mast

1шт.

2

47408804

BRACKET

Slope Sensor

1шт.

3

47692472

WIRE HARNESS

Leica Ready

1шт.

4

87423314

GROMMET,1.5" ID x 2.125" ID x 0.562" Thk

2шт.

5

L11541

CABLE TIE,203.2mm L, Nylon

2шт.

6

L18331

CABLE TIE,375.9mm L, Nylon

11шт.

7

47408806

BRACKET

Display Post

1шт.

8

47408796

BRACKET

Display Arm

1шт.

9

47693937

MODULE

Cradle

1шт.

10

47424058

BRACKET

Controller

1шт.

11

47693912

WIRE HARNESS

Interface

1шт.

12

47466116

MODULE

Junction Box

1шт.

13

47551349

WIRE HARNESS

1M Display

1шт.

14

47481723

ELEC CONNECTOR

Can Splitter

1шт.

Выбрано товаров: 14